Отопление и водоснабжение загородного дома, стр. 18
Стальные панельные радиаторы (рис. 36) представляют собой два штампованных стальных листа толщиной 1,4—1,5 мм, соединенных между собой двумя способами:
а) горизонтальными коллекторами, соединенными вертикальными колонками (колончатая форма);
б) горизонтальными параллельно и последовательно соединенными каналами, приваренными к одной панели (форма змеевика).
Стальные панели бывают одно– и двухрядными с декоративным покрытием из термостойкой эмали и без него, с ребристой или гладкой поверхностью. Такого рода отопительные приборы рассчитаны на рабочее давление 6—10 атм и максимальную температуру теплоносителя 110—150° С.
Достоинствами стальных панельных радиаторов являются:
• высокая теплоотдача;
• малая тепловая инерция;
• соответствие санитарно-гигиеническим нормам;
• небольшой вес;
• эстетичный внешний вид.
Поскольку резьбовых соединений в таком радиаторе всего два, то протечки возникают гораздо реже, чем у секционных радиаторов.
Самыми главными недостатками таких отопительных приборов являются:
• небольшая площадь нагревательной поверхности;
• невысокая коррозионная стойкость.
В табл. 34 даны технические характеристики стальных панельных радиаторов отечественного производства.
Таблица 34
Технические характеристики стальных панельных радиаторов отечественного производства



Биметаллические радиаторы обычно изготавливаются из стали и алюминия. У них практически нет недостатков, которыми обладают чисто алюминиевые или стальные радиаторы. Но они сохранили главное достоинство – высокую теплоотдачу.
Одна секция биметаллического радиатора – это две вертикальные трубы, которые под давлением обливают алюминиевым сплавом (рис. 37). Между собой секции соединяются стальными ниппелями, герметичность обеспечивают прокладки из термостойкой каучуковой резины (она выдерживает температуру до 200° С).
Корпус в таких радиаторах имеет высокую теплоотдачу, он быстро нагревается и дает возможность регулировать расход тепла. У биметаллических радиаторов теплоноситель никогда не бывает в контакте с теплоносителем. Такого рода отопительные приборы рассчитаны на рабочее давление 25 атм и опрессовочное давление 37 атм. В связи с этим биметаллические радиаторы применяют в отопительных системах с повышенным давлением. Главным недостатком таких приборов является малый диаметр внутренних каналов.
Панельные бетонные радиаторы – это бетонные панели с бетонными, стеклянными или пластмассовыми каналами различной формы и с нагревательными элементами змеевиковой или регистровой конфигурации.

Рис. 37. Биметаллические радиаторы: 1 – трубы-теплоносители; 2 – элемент из алюминиевого сплава; 3 – установка прокладок
В качестве нагревательных элементов в бетонных панелях используются бетонированные стальные трубы диаметром 15—20 мм (рис. 38).

Рис. 38. Панельный радиатор из бетона
Такие радиаторы в загородных домах практически не применяются, потому что имеют множество недостатков:
• высокая тепловая инерция;
• невозможность регулировать подачу тепла в помещение;
• теплопотери через дополнительно обогреваемые наружные ограждения дома;
• значительный вес, увеличивающий трудозатраты на монтаж и ремонт прибора;
• большие габаритные размеры. Выпускаются также гладкотрубные отопительные
приборы, представляющие собой стальные трубы, которые соединяются между собой в змеевиковую или регистровую конфигурацию. Их располагают друг от друга на расстоянии меньшем, чем диаметр самих труб (рис. 39). В случае, когда данное расстояние еще меньше, трубы взаимно облучаются. Это явление значительно сокращает теплоотдачу отопительных приборов.
Если гладкотрубный прибор имеет змеевиковую форму, то скорость движения теплоносителя в нем намного больше, чем в приборе с регистровой формой.

Рис. 39. Схемы соединения стальных труб в гладкотрубные отопительные приборы: а – змеевиковая форма; б – регистровая форма; 1 – нитка; 2 – колонка; 3 – заглушка; 4 – калач
Скорость зависит от повышенного гидравлического сопротивления, особенно если трубы соединены по направлению движения воды.
У гладкотрубных отопительных приборов самый высокий уровень теплоотдачи. Но минусом является большой вес, значительные габаритные размеры и неэстетичный внешний вид. Из-за этого данный вид отопительных приборов используют для обогрева хозяйственных построек.
Расширительный бак
Из физики известно, что вода при нагревании расширяется, а при остывании сжимается. Это свойство воды необходимо учитывать при монтаже системы традиционного отопления. Для этих целей служит расширительный бак, или демпфер.
Расширительные баки используются в системах водоснабжения и отопления загородных и частных домов. Они нужны для предотвращения повышения гидравлического давления в системе.
Демпфер в системе отопления выполняет сразу несколько функций:
• служит емкостью для излишков воды, образующейся в результате ее расширения;
• восполняет недостаток воды при ее охлаждении или при небольшой протечке трубопроводов;
• удаляет воздух, скапливающийся в результате выделения его из нагретой воды.
Помимо достоинств, расширительные баки имеют и недостатки, например:
• большая вероятность теплопотерь через стенки бака;
• снижение коррозионной стойкости труб и приборов;
• большие габаритные размеры.
Демпфер может быть открытым или закрытым. Друг от друга они отличаются тем, что в открытом баке расширение нагретой воды уравновешивается столбом воды до расширительного бака, установленного на чердаке дома; в закрытом роль пружины исполняет баллон со сжатым воздухом.
Расширительный бак открытого исполнения
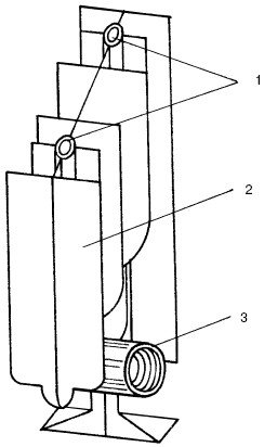
Демпфер открытый обычно устанавливают над верхней точкой отопительной системы (например, на чердаке). Он представляет собой емкость прямоугольной или цилиндрической формы (рис. 40). Изготавливают такие баки из листовой стали. После монтажа демпфер теплоизолируют.
Открытый расширительный бак оснащен несколькими патрубками для присоединения:
– переливной трубы;
– расширительной трубы, по которой поступает вода в бак;
– контрольной трубы, которая присоединена к раковине;
– циркуляционной трубы, служащей для отвода воды в отопительную систему.

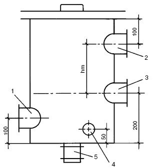
Рис. 40. Открытый демпфер: 1 – расширительный патрубок; 2 – переливной патрубок; 3 – контрольная труба; 4 – циркуляционный патрубок; 5 – спускной патрубок с пробкой
На контрольной трубе обязательно устанавливают запорный кран. С его помощью можно контролировать наличие воды в демпфере и в системе отопления. Если при открытом кране будет вытекать вода, значит, в баке вода тоже есть.