Электронные фокусы для любознательных детей, стр. 27
Внимание, важно!
Светодиод питается напрямую от источника питания – АКБ с номинальным напряжением 1,25 В. Учитывая особенности схемы питания светодиода, а также ограничение тока в устройстве зарядки от солнечной батареи, можно констатировать, что в данном конкретном случае светодиод прослужит очень долго. Замеренный мною нагрев его корпуса не превышает 509 С при непрерывной работе в течение 12 часов (во время недостаточной освещенности фотоэлемента).
В другое – светлое время суток светодиод не горит, поскольку устройство заряда (преобразователь солнечная энергия – электрический ток) аккумулирует солнечную энергию в АКБ и имеет фотоэлемент, прерывающий ток в цепи светодиода подсветки.
Максимально допустимая температура кристалла (принятые обозначения Star, PSB) у разных производителей светодиодов колеблется около 1209 С; не путать с допустимой температурой подложки – разные параметры. Чем меньше нагрев кристалла светодиода, и подложки – тем лучше.
В номинальном режиме светодиодтребуетпитания постоянным током, поэтому источники питания (драйверы) для них выполняются в виде генераторов стабильного тока.
На сверх-яркие светодиоды лучше подавать прямоугольные импульсы с регулируемой скважностью. В этом случае светодиоды нагревается в разы меньше, но служат дольше; все профессиональные электрические схемы (устройства, разработки) так и реализованы. В конкретно рассмотренном случае этим можно пренебречь.
Для максимально полноценной и длительной во времени работы светильника важно соблюдать цикличность заряда-разряда АКБ (наиболее оптимальным является такой режим, когда целый световой день светильник заряжается от солнечной энергии, и затем всю ночь светит светодиод, разряжая встроенный аккумулятор). Частичный заряд (прерванный во времени до достижения АКБ номинальной энергоемкости) и неполный разряд аккумуляторной батареи приведет к сокращению срока службы АКБ.
Не рекомендуется устанавливать светильник рядом с другими источниками освещения, работающими, как
световые индикаторы в темное время суток, так как их побочное воздействие может помешать автоматическому включению светильника PSL-80 и аналогичного.
Аналогичные светильники на солнечных батареях рекомендую не устанавливать близко (рядом друге другом). Наиболее оптимальное расстояние 1,5–2 м.
3.13. Маленькие хитрости про «мизинчиковые» батарейки типоразмеров АА и ААА
«Мизинчиковая» батарея (элемент R03) ААА может работать в батарейном отсеке (боксе) и как элемент АА (пальчиковая батарея), по длине они равны. Для этого элемент легко может быть «подстроен» под более крупный (из типоразмера ААА в АА) с помощью сантехнических прокладок с внутренним диаметром 8 мм и внешним 12 мм (таков внешний для элементов типа АА).
При этом 12-вольтовая компактная батарея GP Ultra Alkaline Battery 23 AE 12V, применяемая в основном в брелоках автомобильной сигнализации, электрических бритвенных станках, зубных щетках и беспроводных «музыкальных» звонках также может быть адаптирована в боксе (батарейном отсеке) рассчитанном для элементов типоразмера ААА.
Новый элемент Alkaline Battery 23AE 12V почти в 2 раза короче «штатного», тем не менее, простой растяжкой пружины от минусового полюса (контакта) можно легко добиться того, что GP Ultra надежно зафиксируется на новом месте.
Для нормальной работы от нового элемента с повышенным напряжением питания необходимо лишь так подключить электрическую цепь (внести при необходимости изменения в схему), чтобы новый 12 В источник питания не вывел из строя ее элементы.
3.14. Зарядное устройство на солнечной батарее
К примеру, модель КОС-517-Solar (производитель – концерн «Космос»), предназначена для зарядки мобильных телефонов модельного ряда Nokia, Motorola и др.
В комплект входит набор соответствующих переходников-разъемов.
Элементы схемы (см. рис. 3.42) расположены на печатной плате S101M-R, некоторые из них в плату не запаяны, а расположены навесным монтажом, поэтому определить их номинал не представляется возможным.
3.15. Пробники на светодиодах и не только
На рис. 3.43 представлен пробник напряжения сети 220 В, реализованный на светодиодах с током 10.. 20 мА.
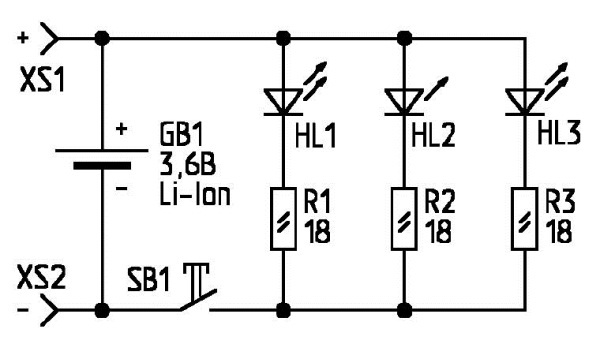
На рис. 3.44 представлен фонарик на светодиодах, питающийся от портативного аккумулятора с напряжением 3.6…4.2 В. Аккумулятор из сотового телефона Nokia.
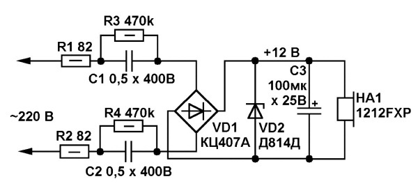
На рис. 3.45 представлена электрическая схема звукового пробника-индикатора для закрепления навыков простого радиолюбительского творчества.
Генератор звуковой частоты запускается при наличии на входе устройства переменного напряжения в диапазоне 50…220 В.
3.16. Электронный трансформатор для конструкций начинающих
Принцип работы обычного «классического» трансформатора основан на законе электромагнитной индукции. В первичной обмотке под действием напряжения в сердечнике наводится магнитный поток, пропорциональный этому напряжению, который, в свою очередь, наводит электродвижущую силу (далее – ЭДС) самоиндукции во вторичных обмотках. ЭДС, наводимая во вторичных обмотках, прямо пропорциональна количеству витков этих обмоток.

Рис. 3.42. Электрическая схема устройства

Рис. 3.43. Пробник-индикатор для сети 220 В

Рис. 3.44. Электрический фонарик на трех светодиодах

Рис. 3.45. Звуковой пробник индикатор сетевого напряжения
Силовой трансформатор служит для преобразования переменного тока одного напряжения в переменный ток другого напряжения с преобразованием мощности и при неизменной частоте.
В электронном трансформаторе (далее – ЭТ) принцип действия совершенно иной.
По сути, ЭТ представляет собой импульсный источник питания – преобразователь с электронной защитой от к/з перегрузки и перегрева элементов. Все энергосберегающие лампы, свтильники-ночники на их основе, лампы дневного света, применяемые в качестве подсветки для аквариума, и другие подобные устройства оснащены ЭТ – преобразователем.
Электронный трансформатор предназначен для питания низковольтных галогенных систем освещения, столь популярных у любителей «евроремонтов».
Его можно использовать вместе с регулятором освещенности, разработанным для электронного преобразователя (например, SET70M или с выключателем-регулятором освещенности для обычных трансформаторов).
ЭТ соответствует нормам относительной безопасности и защиты от помех. Он работает от напряжения осветительной сети в диапазоне 190–230 В (частота 50 Гц) и обеспечивает выходное напряжение 11,6-12,2 В.
Длина соединительного кабеля (на выходе устройства) может достигать 0,3–4 м.
Однако, ЭТ можно применить не только по прямому назначению, но и для питания любой активной нагрузки, не превышающей по мощности параметры ЭТ. Как правило, эти параметры указаны на корпусе прибора. Например, на выход ЭТ можно включать нагревательный элемент, рассчитанный на напряжение 12 В с током потребления не более 1,5 А или автомобильную лампу накаливания с (указанной на цоколе) мощностью 12 Вт – например, в качестве светового сигнализатора.
В импульсном режиме (как показала экспериментальная практика) такой ЭТ способен обеспечить питанием нагрузку мощностью 24 Вт (2 однотипные автомобильные лампы). Также такую нагрузку можно подключать в кратковременном режиме работы (не превышающем нескольких минут).
Схема подключения нагрузки представлена на рис. 3.46.
