Электронные фокусы для любознательных детей, стр. 26
3.11. Что можно дома сделать из «налобного» фонаря?
В продаже имеются налобные китайские светодиодные (аж до 24 шт.) фонарики с поэтапным включением и даже мигающим режимом. Это очень неудобно. Достаточно было бы два положения – вкл.(все)/выкл. Как это сделать рассмотрим далее.
Портативный налобный фонарь с маркировкой Bailong BL-536 с 3-мя элементами питания типа АА (LR6) (и аналогичные) сегодня можно приобрести практически повсеместно; разница лишь в стоимости и ценовых «накрутках» посредников.
Внутренности фонарика не поражают своим разнообразием: отсек для элементов питания, две платы и миниатюрная тактовая кнопка (микропереключатель без фиксации) SDTM-630-N, управляющая режимами работы фонаря:
1-е нажатие – горят 4 светодиода;
2-е нажатие – еще 4 (итого 8);
3-е нажатие – все светодиоды зажжены (12);
4-е нажатие – все светодиоды мигают с частотой приблизительно 2 Гц;
5-е нажатие выключает все светодиоды, затем все повторяется снова.
Печатная плата с матрицей светодиодов имеет обозначение XG-12-4; на ней находится «залитая» каплей компаунда микросборка. Ее внутренняя схема реагирует на замыкание контактов микропереключателя (в торце корпуса фонарика) в триггерном режиме – одно замыкание контактов (не важно – какой длительности) включает определенный режим, каждое последующее – следующий, и так в цикличном алгоритме.
Управляющий импульс для микросборки отрицательный, то есть триггер срабатывает по отрицательному фронту входного импульса, или замыкании на «-«питания.
Контакты микросборки никак на плате не обозначены. В налобных фонариках аналогичного назначения (с разным количеством светодиодов, но в одинаковом корпусе) мне встречались печатные платы и с другой маркировкой, разводкой дорожек и количеством светодиодов, поэтому приводить подробную схему нет особого смысла, ибо не исключено, что именно такой же версии фонаря больше нигде читателю не встретится (зато встретятся другие).
Думаю, что такие «игрушки» собирают в Китае несколько сотен малых производителей вручную, как когда-то в Швеции собирали автомобили марки Volvo; малыми партиями и поэтому получалось не всегда идентично, то же касалось и запчастей.
По той же причине нет смысла и дорабатывать устройство путем дополнения логической электрической схемы с участием нового триггера, который имел бы только 2 режима управления светодиодной матрицей, так лелеемые в мечтах некоторыми читателями – нажал 1 раз – свет горит, нажал второй – свет погас. Но именно в этом конкретном примере, такие доработки, на мой взгляд, сомнительны в части их итоговой результативности; если уж совсем делать нечего…
Учитывая вышеприведенные аргументы, а также небольшую стоимость самого фонарика и отсутствия свободного места для платы (микросхемы) доработки, от такой затеи пришлось отказаться, и поступить радикальным способом.
Далее рассмотрим вариант для конкретной модели налобного фонаря с 12 светодиодами (для другого количества светодиодов, или иного их типа, потребуется внести коррективы в сопротивление ограничительного резистора – о нем ниже).
Радикальное усовершенствование устройства сводится к замене кнопки без фиксации SDTM-630-N (могут встретиться и иные варианты тактовой кнопки) на почти аналогичную – с фиксацией типа PS700L, PS645L, PS850L (стоимость 12–18 руб), где цифры в обозначении говорят о размерах кнопки, к примеру, PS700L – 7 мм..
Итак, разбираем корпус фонарика и вынимаем блок для батареек.
Открутив крестообразной отверткой 2 самореза, вынимаем плату с микропереключателем; она маркирована как XGCL-21.
Отпаиваем штатную кнопку (гибкие выводы в отверстия платы) и вместо него устанавливаем микропереключатель с фиксацией положения типа PS700L.
К слову, по размерам в данном случае отлично подходит кнопка с фиксацией от панелей управления старых (10-летней давности) автомобильных магнитол.
Следующим шагом потребуется внести изменения в печатную плату со светодиодной матрицей (она вынимается из корпуса фонаря еще проще – через стеклянную линзу фонаря).
Все светодиоды нужно включить параллельно друг другу с помощью гибких монтажных проводников-перемычек типа МГТФ-0,6. Печатные проводники, ведущие к микросхеме, при этом обрезают.
В разрыв простейшей электрической цепи (батарея питания с напряжением 4,5 В – микропереключатель с фиксацией – светодиодная матрица) включают постоянный резистор сопротивлением 24 Ом ±10 % для ограничения тока в цепи (прямо приложенное напряжение 4,5 В к светодиодной матрице вызовет большой (недопустимый) ток, что приведет к выходу из строя светодиодов), а создавать в данном случае импульсный стабилизатор тока нет необходимости по вышеприведенным аргументам («не стоит овчина выделки»).
Сопротивление ограничительного резистора рассчитывается по закону Ома так, чтобы падение напряжение на нем было 2…2,5 В (при этом не более 2,5 В на светодиодной матрице) и ток не более 15 мА из расчета на 1 светодиод (в данном случае 180 мА).
Поэтому самая простая по затратам времени, деталей и, в конечном счете по эффективности, рекомендация – в смене микропереключателя режимов на аналогичный – по внешнему виду, но с фиксацией положения, к примеру на PS700L; он имеет 6 контактов, 2 из них «купируют» кусачками перед установкой в плату на штатное место (с 4-мя отверстиями).
Ну, и конечно, с учетом вышесказанного надо «поработать» с печатными проводниками на светодиодной матрице с учетом вышеприведенных рекомендаций.
Теперь «китайский гаджет» работает так как вам нравится, не утомляя «лишними» режимами, а внешний вид его не претерпел изменений. Надо бы направить это замечание в «Поднебесную».
3.12. Портативный светильник с солнечной батареей PSL-80
Небольшой светильник PSL-80 с одним светодиодом лунного свечения и элементом солнечной батареи можно применять не только по назначению – для «втыкания в землю» на даче и подсветке (совместно с цепью аналогичных светильников) придомовой (садовой) территории; хорошие результаты могут быть достигнуты и при подсветке пальм внутри дома (даже отдельной городской квартиры) и… при подсветке индикаторов различного назначения.
В течении дня панель (элемент) солнечной батареи накапливает заряд, находясь под воздействием солнечного света. Подсветка (светодиод) включается с наступлением темного времени суток.
Длительность горения светодиода зависит от световых условий региона, в котором изделие эксплуатируется; то есть от продолжительности светлого времени суток и интенсивности солнечного света; она также будет меняться в зависимости от времени года. Так, зимой количество часов активной работы светильника будет в разы меньше, чем в летнее время. Соответственно, чем дольше период нахождения светильника на свету и чем этот свет интенсивнее, тем дольше и ярче светильник будет работать в темноте.
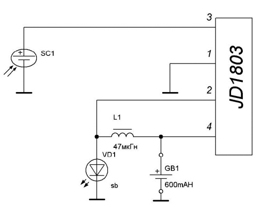
В светильнике (рис. 3.37) встроен один Ni-Mh аккумулятор (далее – АКБ) типоразмера АА (на вид пальчиковая батарея LR6).
Электрическая схема локального светильника на солнечной батарее и одном светодиоде представлена на рис. 3.38.

Рис. 3.38. Электрическая схема локального светильника PSL-80 и аналогичных
Светодиод лунного свечения (можно заменить любым, к примеру «классическим АЛ307БМ – по наиболее подходящему вам цвету свечения) отпаивают из платы портативного светильника и монтируют (с соблюдением полярности) вместо «штатной» подсветки, встроенной, к примеру, в индикатор КСВ тюнера.
Затем корпус светильника PSL-80 собирают в обратной последовательности и снабжают двужильным соединительным проводом со штекером для подключения к гнезду METER LAMP трансивера. Длина проводников должна стремиться к минимуму; в авторском варианте она составляет 1 м.