Занимательная анатомия роботов, стр. 17
В одной системе может быть один, два или несколько входов и выходов. Регулятор Уатта, например, имеет один вход и один выход. На входе происходит изменение давления, на выходе – открывание или закрывание клапана. Человек как система имеет множество входов и выходов в виде нервных клеток, воспринимающих внешние воздействия и реагирующих на них.
Всякая кибернетическая система, как указывалось выше, является самоуправляющейся.
Но управление не сводится просто к передаче информации от управляющей части системы к исполнительному органу. Этот процесс гораздо сложнее.
Дело в том, что на исполнительный орган влияет не только управляющая система. Он подвержен непрерывным воздействиям окружающей среды, которые часто препятствуют исполнению приказов, полученных от управляющего центра. Например, корабль может отклониться от прямого пути под влиянием неожиданно поднявшегося ветра. Что предпринять в этом случае? Очевидно, нужно повернуть руль корабля так, чтобы он мог держать прежний курс. Противодействие случайным внешним влияниям – общий закон всякого регулирования.
Самый надёжный способ противодействовать внешним возмущениям – это сделать так, чтобы всякое отклонение фактического поведения от заданного, независимо от того, чем оно обусловлено, вызывало определённую ответную реакцию, направленную на ликвидацию этого отклонения. В таком случае не нужно изучать его причины, определять силу ветра, направление течения и т.д.; заданное направление поддерживается автоматически. Такой способ управления был найден. Нужно, чтобы кроме прямой связи устройства управления с исполнительной системой была обеспечена связь выхода исполнительной системы с входом управляющей (см. рис. 65). Эту дополнительную связь называют обратной.
Примеры обратной связи мы уже видели выше. Обратная связь, вызывающая в результате своего действия ослабление внешнего влияния, носит название отрицательной обратной связи. Принцип регулирования на основе отрицательной обратной связи находит применение в любой управляемой системе, будь то кибернетическая машина или живой организм.
Положение о том, что регулирование в живом организме, в том числе в центральной нервной системе человека, происходит на основе отрицательной обратной связи, иногда называют основной гипотезой кибернетики.

Общий для кибернетических машин и живых организмов принцип обратной связи неслучаен. Ведь и те и другие вынуждены действовать в постоянно меняющихся условиях, поэтому реакции, вырабатываемые у них, должны отличаться разнообразием. Но для этого необходимо, чтобы из рабочего органа в центральную систему поступали соответствующие сигналы. Обратная связь лежит в основе восстановления и перестройки функций центральной нервной системы.
Нейроны
Прежде чем говорить о возможностях моделирования мозга как управляющего центра разумных действий, нужно представить себе элементы сложнейшей нервной системы – нейроны – и попытаться создать их модель.
Значительная или даже, пожалуй, основная часть нынешних исследовательских работ по бионике посвящена созданию аналогов биологического нейрона – нервной клетки – основного элемента нервной системы. Конечная цель этих работ – создание систем, предназначенных для накопления, обработки и передачи большого количества информации, электронных машин, способных решать любые сложные задачи без предварительного программирования, различных самообучающихся, адаптивных (самоприспосабливающихся, самоорганизующихся устройств), обладающих малыми габаритами и высокой надёжностью машин. Иными словами, речь идёт о создании широкого комплекса автоматических систем, работающих по тем же принципам.
Что такое нейрон? Это нервная клетка человеческого мозга (рис. 66). В мозге человека их около 15 миллиардов, и мы о них очень мало знаем. Нейрон был и остаётся величайшей загадкой. Каждый нейрон снабжён выходным каналом – аксоном. По нему передаётся возбуждение к какому – либо органу. Например, тело нервной клетки находится в спинном мозге, а её аксон достигает мышц пальцев ноги. Если бы мы захотели сделать в масштабе большую модель аксона, хотя бы в виде шланга диаметром 4 см, то его длина оказалась бы более 16 км. Другие отростки нейрона – дендриты – являются входами в тело нервной клетки.

Аксоны и дендриты различных клеток переплетаются и соединяются во многих (до тысячи) контактных точках. Через эти контакты – синапсы – может передаваться возбуждение от аксона одного нейрона к дендриту другого.
Нейроны плотно окружены так называемыми глиальными клетками, которых раз в десять больше, чем нейронов. Раньше считали, что эти клетки лишь «закрепляют» нейроны на месте или помогают им питаться. Однако последние исследования показали: глиальные клетки активно участвуют в проведении нервных импульсов, в формировании реакций и некоторых проявлениях функций памяти. Похоже, что разум равномерно «размазан» по всем структурам нервной системы.
Для создания моделей нейрона применяют главным образом метод физического моделирования. Это естественно: ведь инженеры стремятся разработать элементы для электронных или иных вычислительных машин будущего. Конечно, это должно быть вполне реальное yc тройство, как можно белее компактное и дешёвое. Методом математического моделирования пользуются главным образом при моделировании нейронных сетей.
Прежде чем начать работать над моделью, необходимо из всего многообразия свойств живой нервной клетки выбрать те, которые кажутся наиболее существенными для выполнения поставленной экспериментатором задачи. Этот процесс часто называют формализацией нейрона. Первая модель нейрона, дающая его формальное описание и позволяющая применять аппарат математической логики для анализа и синтеза сетей из нейронов, была предложена У. С. Мак – Калло – ком и У. Питтсом. Допущения, принятые ими. сводятся в основном к тому, что нейрон: имеет и входоь и один выход (аксон) с одной или несколькими концевыми пластинками; может находиться в одном из двух состояний: возбуждения или покоя (т.е. работает по принципу «всё или ничего»); имеет входы (синапсы, возбуждающие и тормозящие; активность какого – либо тормозящего синапса абсолютно исключает возбуждение нейрона; располагает некоторым определённым числом синапсов, при одновременном возбуждении которых он сам приходит в состояние возбуждения; это число не зависит от предыдущего состояния нейрона и от расположения синапсов на нём.

Три последних положения лишь частично отражают реальные свойства нейрона. Дело в том, что эта модель является математической абстракцией, предназначенной для моделирования нейронных сетей на цифровых вычислительных машинах. Электронные модели нейрона гораздо точнее копируют его свойства.
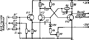
Для имитации нейронов применяют магнитные ферритовые магнитопроводы, специальные генераторы и другие устройства. Модель нейрона Мак – Каллока и Питтса с мультивибратором показана на рис. 67. Она позволяет воспроизвести многие характеристики нейрона, кроме его способности к адаптации, т. е. к изменению порога срабатывания в зависимости от уровня входных сигналов. Следует иметь в виду, что модель Мак – Каллока и Питтса сильно упрощена. Биологический нейрон значительно сложнее.
Решение логических задач
Важнейшим практическим результатом кибернетики является использование знаний о работе нервной системы животных и человека для конструирования машин, способных выполнять некоторые их функции.