Занимательная анатомия роботов, стр. 11
«Интегральный робот» – автомат, двигающийся впереди человека в опасных ситуациях. Подчиняется голосовым командам и докладывает пославшим его людям о том, что воспринимает. Мог бы помочь во время ремонта атомного реактора или путешествия на малоизученную планету.
Человеческое ухо существует в одном варианте. Искусственных, как видим, намечается несколько. Тем лучше! В том – то и сила техники, что она не копирует слепо природу.
Моделирование систем слуха
Прежде чем приступить к конструированию устройства слуха роботов, смоделируем отдельные элементы этих систем.
На рис. 34 – 37 показаны схемы усилителей звуковой частоты.
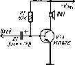
Начинать конструирование моделей слуховых систем лучше всего с простейшего акустического реле (рис. 37). Микрофон ВМ1 служит датчиком. Он преобразует звуковой сигнал в электрические колебания, а усилитель звуковой частоты усиливает их. После выпрямления диодом VD1 импульсы постоянного тока вызывают срабатывание электромагнитного реле.


Принципиальная схема такого варианта акустического реле изображена на рис. 38. На транзисторах VT1 и VT2 собран усилитель звуковой частоты (34), а диоды VD1 и VD2 и конденсатор С4 образуют выпрямитель. Транзистор VT3, резистор R6 и электромагнитное реле К1 с диодом VD1, шунтирующим обмотку реле, составляют электронное реле, а лампа HL1 с резистором R7 – исполнительную цепь.

Автомат работает так. Пока в помещении, где установлен микрофон, сравнительно тихо, в коллекторной цепи транзистора VT3 течёт небольшой ток покоя (меньше тока отпускания якоря реле К1), устанавливаемый при налаживании автомата. В это время контакты К 1.1 реле К1 разомкнуты и, следовательно, исполнительная цепь выключена. При появлении звукового сигнала (громкий разговор, шум и т. п.) колебания звуковой частоты от микрофонов усиливают транзисторы VT1 и VT2 и с нагрузочного резистора R5 сигнал поступает на выпрямитель. Отрицательные полуволны выпрямленного напряжения заряжают конденсатор С4 и поступают на базу транзистора VT3. Если конденсатор зарядится до напряжения 0,25…0,3 В, то коллекторный ток транзистора увеличится настолько, что реле К1 сработает и включит исполнительную цепь. Когда разговор перед микрофоном прекратится, конденсатор С4 почти полностью разрядится, коллекторный ток транзистора VT3 уменьшится до исходного, реле К1 отключится, а его контакты К 1.1, разомкнувшись, обесточат исполнительную цепь.


Какова роль резистора R1? Им регулируют уровень сигнала, поступающего от микрофона на вход усилителя 34, и тем самым регулируют чувствительность акустического реле.
Электромагнитное реле – РЭСЮ (РС4.524.302) или РЭС9 (РС4.524.200) с током срабатывания не более 30…40 мА. Напряжение источника питания и п ит должно быть на 20…30% больше напряжения срабатывания используемого электромагнитного реле. Транзисторы – любые маломощные низкочастотные структуры р – и – р (из серий МП39 – МП42) со статическим коэффициентом усиления передачи тока не менее 20. Если напряжение источника питания более 15 В, но не более 30 В, то транзистор VT3 должен быть МП40А или МП25, МП21.
Сопротивление резисторов R3 и R5, являющихся нагрузками транзисторов VT1 и VT2 усилителя, могут быть 4,7…8,2 кОм. Сопротивление резистора R7 зависит от параметров используемой лампы HL1.
Транзистор VT1, резисторы R2, R3 и конденсатор С2 сначала не монтируйте, чтобы испытать работу автомата с одноступенным усилителем, но обязательно оставьте для них место. Конденсатор С1 соедините отрицательной обкладкой непосредственно с базой транзистора VT2.
Сначала, включив в коллекторную цепь транзистора VT3 миллиамперметр, подборкой резистора R6 установите в этой цепи ток не более 2…4 мА. Он должен быть меньше тока отпускания реле. Затем временно подключите параллельно резистору R6 ещё один резистор сопротивлением 15…20кОм. При этом коллекторный ток должен резко увеличиться, а реле сработать. Удалите второй резистор – коллекторный ток уменьшится до исходного, а реле отпустит якорь. Так вы проверите, работает ли электронное реле автомата.
Режим работы транзистора усилителя VT2 установите подборкой резистора R4. Ток покоя коллекторной цепи транзистора может быть в пределах 1…1,5мА.
А теперь подключите к входному резистору R1 микрофон, например МД – 47 или абонентский (радиотрансляционный) динамический громкоговоритель, который будет играть роль микрофона. Движок резистора установите в верхнее положение. Следя за показаниями миллиамперметра в коллекторной цепи транзистора VT3, громко произнесите перед микрофоном (или перед диффузором громкоговорителя) протяжный звук «а – а – а». Коллекторный ток транзистора должен при этом увеличиться, а реле сработать и включить исполнительную цепь.
Используя два микрофона, два усилителя и двухоб – моточное поляризованное реле, можно сделать слуховое устройство (рис. 39), поворачивающее голову робота в сторону источника звука.
Звуковое управление можно осуществлять свистком, свирелью или голосом. Наиболее чётко слуховые устройства работают при использовании в качестве источника сигналов электронного генератора звуковых команд. Он размещается в пульте управления роботом. Но это не обязательно.

Управление звуком. Акустическим каналом связи пользуются в основном птицы, животные и человек. Речевой и слуховой аппараты человека настолько хорошо приспособились к звуковым сообщениям, что лучшего желать трудно. Для решения технических задач акустический канал малопригоден из-за относительно низкой скорости звука в воздухе и значительного затухания при распространении.
В наш век космических скоростей применение акустического канала в технике связи – это только история. Проводная связь и радиосвязь его полностью вытеснили. А вот использование акустических каналов для дистанционного управления подвижными моделями имеет многие преимущества не только по сравнению с проводными линиями, но и с радио.
Конечно, управление моделью по радио очень эффектно, и трудно его сравнить с каким-либо другим видом телеуправления. Но здесь есть и свои трудности. Например, прежде, чем делать передающую аппаратуру радиоуправления моделью, даже самой простой, нужно иметь соответствующее органов Государственной инспекции электросвязи разрешение на работу с передатчиком, выдаваемое по ходатайству областных (краевых) радиотехнических школ. Основные положения действующей «Инструкции о порядке регистрации и эксплуатации любительских приемопередающих радиостанций индивидуального и коллективного пользования» изложены в журнале «Радио» № 5 за 1968 год (с. 61 – 62).