Большая Советская Энциклопедия (КО), стр. 291
Лит.: Юдицкий С. Б., Синхронные машины с полупроводниковыми выпрямителями, 2 изд., М. — Л., 1954; Костенко М. П., Пиотровский Л. М., Электрические машины, 2 изд., ч, 1—2, М. — Л., 1964—65; Важнов А. И., Электрические машины, Л., 1969.
Ю. М. Иньков.

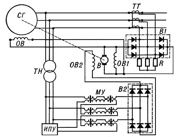
Схема независимого возбуждения синхронного генератора с компаундированием и коррекцией напряжения.
Компаунды полимерные
Компа'унды полиме'рные, литая изоляция, композиции на основе термореактивных олигомеров или мономеров; предназначены для пропитки (с целью изоляции) обмоток трансформаторов, дросселей электрических машин, изделий радиотехнической и электронной аппаратуры, а также для заполнения промежутков (заливки) между деталями радиотехнических и электронных устройств, в электрических машинах и аппаратах. Основное преимущество литой изоляции — возможность получения электротехнических изделий в виде малогабаритных блоков любой конфигурации, не требующих дополнительной обработки. К числу К. п. относят также имеющие ограниченное применение композиции на основе термопластических материалов (битумов, масел, канифоли, церезина и др.); эти К. п. представляют собой твёрдые или воскообразные массы, которые перед употреблением переводят в жидкое состояние нагреванием.
Для приготовления К. п. в качестве олигомеров чаще всего используют эпоксидные смолы , полиэфирные смолы , жидкие кремнийорганические каучуки , а в качестве мономеров — исходные продукты для синтеза полиакрилатов и полиуретанов . Наибольшее распространение получили эпоксидные К. п. В состав К. п., помимо мономеров и олигомеров, могут входить также пластификаторы, наполнители, ускорители отверждения или инициаторы полимеризации, пигменты.
К неотвержденным К. п. предъявляются следующие требования: отсутствие летучих компонентов; минимальная усадка при отверждении или полимеризации; низкая вязкость, обеспечивающая пропиточные и заливочные свойства; достаточно большая жизнеспособность. Отвержденные К. п. должны обладать высокими диэлектрическими () и прочностными показателями. Отверждение К. п. осуществляют при повышенных или обычных температурах.
Диэлектрические свойства отверждённых компаундов отечественных марок при 20 °С
| Название и марка компаунда | Тангенс угла диэлектрических потерь* | ом-см | гц•кв/мм | Диэлектрическая проницаемость* |
| Эпоксидные и эпоксидно-полиэфирные: | ||||
| Д-112........ | 3 | 14 | 53 | 3 |
| ЭЗК-9........ | 6 | 15 | 6 | |
| Д-8.......... | 5 | 14 | 6 | |
| ЭПК-101....... | 0,015 (50) | 14 | 22 | 4,8 (50) |
| Полиэфирный КГМС-1 | 0,04 (50) | 13 | 25 | 4,0 (50) |
| Метакриловый МБК-1 | 0,07 (50) | 14 | 20 | 4,0 (50) |
| Полиуретановый К-31 | 6 | 14 | 27 | 6 |
| Кремнийорганический К-67 | 0,005 (50) | 15 | 20 | 3,0 (50) |
* В скобках указана частота, гц.
Лит.: Черняк К. И., Эпоксидные компаунды и их применение, 3 изд., Л., 1967; его же. Неметаллические материалы в судовой электро- и радиотехнической аппаратуре. Справочник, Л., 1966; Волк М., Леффордж Ж., Стетсон Р., Герметизация электротехнической и радиоэлектронной аппаратуры, пер. с англ., М. — Л., 1966.
М. А. Голубенка.
Компендиум
Компе'ндиум (от лат. compendium — сбережение; выгода), устройство к киносъёмочному аппарату , состоящее из бленды светозащитной и держателя светофильтров. К. предохраняет объектив от засветки посторонним светом и позволяет устанавливать перед объективом одновременно несколько светофильтров и оптических насадок.
Лит.: Гордийчук И. Б., Советская киносъёмочная аппаратура, М., 1966; Толчан Я. М., Киносъёмочная аппаратура, М., 1968.
Компенсатор
Компенса'тор (от лат. compenso — возмещаю, уравновешиваю) в технике, 1) устройство или заполнитель для возмещения или уравновешивания влияния различных факторов (температуры, давления, положения и других) на состояние и работу сооружений, систем, машин, приборов; К. обеспечивает их работоспособность путём устранения влияний указанных факторов, а также служит для измерения или регулирования физических величин (например, компенсатор оптический ). Конструкция К., применяемых при сборке (см. Компенсация сборочная ) и эксплуатации машин, определяется предельными значениями и необходимой точностью компенсации.
Различают К. неподвижные и подвижные. Неподвижными К. являются, например, прокладки, проставочные кольца и тому подобные детали, изменение размеров и формы которых устраняют отклонения размеров от номинальных. Неподвижным К. может также служить заполнитель, который после затвердевания фиксирует установленное положение деталей. Такие К. используют, например, при изготовлении макетов и технологических приспособлений. Подвижные К. могут быть периодического или непрерывного действия. Периодически действующие К. (регулировочные винты, эксцентриковые втулки и т.п.) устраняют отклонение размеров при перемещении или повороте. К. непрерывного действия работают автоматически. Примерами могут служить двойной шарнир для компенсации несоосности валов, например шарнир Гука, сильфон для компенсации удлинения трубопровода. В машинах, работающих в различных тепловых режимах (например, в двигателях внутреннего сгорания ), К. устраняют влияние тепловых деформаций; в замкнутых жидкостных системах (например, в гидроприводах машин ) жидкостными К. поддерживается постоянное давление при изменениях температуры жидкости. К. в электротехнике предназначен для улучшения cosj и регулирования напряжения в электрических сетях (см. Компенсатор синхронный ). Применение К. необходимо для нормальной работы несоосных валов, обеспечения заданных зазоров в опорах и зубчатых зацеплениях, для передачи движения между перемещающимися валами, устранения люфтов в соединениях и т.п. Использование К. способствует широкому внедрению взаимозаменяемости деталей, повышает долговечность и ремонтоспособность машин при меньшей точности изготовления отдельных элементов. Введение К. в машины облегчает процесс массового производства, сокращает индивидуальную подгонку деталей при сборке, снижает производственно-эксплуатационные расходы. 2) Термомагнитный железоуглеродистый сплав, содержащий 38% никеля, 14% хрома. Применяется в различных электроизмерительных приборах в качестве шунтов постоянных магнитов для уменьшения температурной погрешности приборов.
Лит.: Справочник машиностроителя, 2 изд., т. 4, М., 1956.
С. В. Беспалов, А. И. Зусман.
