Волшебная лампа, стр. 8
ОДНО ИЗ ЧУДЕС
Пролетевшие мимо антенны радиоволны вызывают в ней появление некоторых электрических колебаний, некоторого переменного электрического напряжения. Это напряжение в большинстве случаев очень мало — около одной десятитысячной вольта — и изменяется с высокой частотой, соответствующей данной длине волны. На этих высокочастотных колебаниях как бы нарисованы звуковые колебания (рис. на стр. 44).

Процесс радиопередачи: 1 — микрофон превращает энергию звуков в электрические колебания звуковой частоты. 2 — ламповый генератор создает высокочастотные электрические колебания. 3 — антенна радиопередатчика излучает модулированные колебания, то есть колебания высокой частоты, на которые наложены звуковые колебания.

Процесс радиоприема: 4 — антенна радиоприемника принимает колебания, отправленные передающей радиостанцией. 5 — детекторная лампа выделяет звуковые колебания из принятых колебаний высокой частоты. 6 — звуковые электрические колебания приводят в действие громкоговоритель.
Чтобы эти звуковые колебания можно было услышать, их необходимо снять с колебаний высокой частоты, выделить и получить колебания электрического тока с низкой звуковой частотой. Этот процесс выделения, отсеивания колебаний низкой частоты от высокочастотных колебаний называется детектированием.
Продетектировать принятые сигналы можно или с помощью кристаллического детектора, или с помощью электронной лампы. Первый способ — капризный, неустойчивый и малочувствительный. Его можно применить только для детектирования мощных сигналов, полученных от близлежащей радиостанции.
Несравненно лучше работает в качестве детектора электронная лампа. Не нужно искать чувствительную точку. Лампа работает надежно и уверенно. А если в качестве детектора работает не диод, а какая-нибудь многоэлектродная лампа, то одновременно с детектированием она еще и усиливает принятые сигналы. Правда, если сигналы очень слабы, если принимается отдаленная станция, то и ламповый детектор начинает работать плохо. Но на выручку опять приходит электронная лампа. Прежде чем попасть на детектор, сигналы предварительно усиливаются в специальной лампе-усилителе высокой частоты.
На рисунке приведена схема распространенного приемника «СИ-235». Для большей ясности все мало существенные детали на ней не изображены, а показан лишь «скелет» приемника.

Схема радиоприемника «СИ-235».
К зажимам А и 3 подводится принятый антенной высокочастотный сигнал. При приеме какой-либо дальней станции средней громкости напряжение принятого сигнала равняется примерно 0,0001 вольта. При таком слабом сигнале лампа, разумеется, не может детектировать. Поэтому принятые сигналы предварительно усиливаются первой лампой — усилителем высокой частоты. После усиления напряжение сигнала достигнет уже величины 0,02 вольта. Этого напряжения уже вполне достаточно, чтобы воздействовать на детекторную лампу. После второй лампы мы получим электрические колебания уже звуковой частоты напряжением около одного вольта. Если бы прием шел на телефонную трубку, то этого напряжения было бы достаточно. Но мы хотим слушать громко, на всю комнату. Поэтому, чтобы получить мощность, достаточную для работы громкоговорителя, в приемнике стоит еще одна — третья лампа — усилитель низкой, или звуковой, частоты. После усиления в этой третьей лампе напряжение сигнала получается уже около 20 вольт. Этого напряжения уже достаточно, чтобы принимаемая станция была слышна очень громко. А ведь принятый антенной сигнал настолько слаб, что не будь электронной лампы, то и обнаружить его мы не смогли бы.
PB-1
Над большим полем возвышаются гигантские мачты. Между ними находится главное здание станции. По сравнению с мачтами оно кажется совсем маленьким и приземистым. Неподалеку расположено еще несколько небольших зданий. От подвешенных на мачтах антенн спускаются провода, входящие в главное здание. Из этих антенн излучаются электромагнитные волны, несущие всему миру московские радиопередачи.
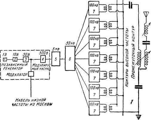
Вот перед нами два высоких глухих железных шкафа. Это сердце станции — основные, или, как говорят, задающие, генераторы. Один из них работает, другой стоит в резерве.
В каждом из этих генераторов имеется электронная лампа, создающая электрические колебания высокой частоты.
Частота этих колебаний для станции РВ-1 установлена в 174 тысячи периодов в секунду.
При обычных условиях частота колебаний, создаваемых лампой, может довольно сильно изменяться. Ведь на нее действует и непостоянная окружающая температура, и малейшие изменения тока, питающего лампу. Но частота колебаний обязана быть точной. Иначе станцию нельзя будет принимать. Отклонения от указанной частоты могут быть не больше 10 периодов в секунду в ту и другую стороны. Лампа такого постоянства частоты обеспечить не может.
Как же быть?
И тут пришло на помощь замечательное свойство кварца. Если из кварца выточить пластинку и включить ее в схему лампового генератора, то этот генератор будет давать строго определенную частоту, зависящую от размеров кварцевой пластинки.
Чтобы сделать частоту еще более постоянной, пластинку помещают в особый ящик — термостат, в котором автоматически поддерживается неизменная температура.
Так и сделано на радиостанции РВ-1.
В каждом железном шкафу, кроме термостата с кварцевой пластинкой и задающих генераторов, помещены еще три электронные лампы, усиливающие колебания, создаваемые задающим генератором.
Для сохранения постоянства генерируемой частоты необходимо еще тщательно охранять генератор от воздействия остальных частей передатчика.
Особенную опасность в этом отношении представляет четвертая лампа, или, как говорят, четвертый каскад передатчика.
Режим четвертого каскада все время меняется, потому что именно здесь, на этот каскад, поступают пришедшие по кабелю из Москвы и усиленные колебания — звуковой частоты и здесь же происходит их наложение на колебания высокой частоты.
Поэтому перед вторым и третьим каскадами передатчика, кроме задачи усиления создаваемых задающим генератором колебаний, стоит еще не менее важная задача — предохранение задающего генератора от воздействия четвертого каскада.
В результате наложения колебаний звуковой частоты на колебания высокой частоты величина последних начинает меняться в такт со звуковыми колебаниями. Происходит так называемая модуляция передатчика.
После усиления и модуляции в четвертом каскаде получается мощность 500 ватт. Такую мощность поглощает в среднем обычная домашняя электроплитка.
Эта, еще сравнительно небольшая мощность усиливается электронными лампами в последующих каскадах. Пятый каскад дает на выходе уже 5 киловатт, шестой — 50 и, наконец, седьмой дает колоссальную мощность — 500 киловатт. Эти 500 киловатт уходят в антенну и там излучаются в пространства. Седьмой — «мощный оконечный каскад» — состоит из семи отдельных самостоятельных передатчиков-блоков со своими лампами, выпрямителем, силовым оборудованием, электрическими машинами для накала и т. п. Работают одновременно шесть блоков выходного каскада, а седьмой стоит в запасе.

«Скелет» радиостанции РВ-1.
По мере возрастания мощности в каскадах передатчика применяются все более и более мощные электронные лампы. Конечно, наибольшую мощность имеют лампы последнего выходного каскада. Только для накала этих ламп в шести блоках требуется свыше 200 киловатт электроэнергии. К анодам их подводится 1 800 киловатт. Выходной каскад в целом потребляет свыше 2 тысяч киловатт. 500 киловатт из них излучаются в эфир, а остальные 1 500 киловатт выделяются на анодах ламп в виде тепла. Эта огромная мощность, превратившись в тепло, мгновенно расплавила бы аноды и вывела из строя лампы, если бы лампы не охлаждались непрерывным током дистиллированный воды. Такое водяное охлаждение ламп начинается с пятого каскада.