Сухопутные крейсера, стр. 22
Можно сказать, танки такого типа обладают вполне достаточной оперативной скоростью.
Большое значение в бою, кроме скорости, имеет еще поворотливость, маневренность танка. Первые английские «матушки» были очень неуклюжи. На поворот они тратили уйму времени, и это многим из них стоило жизни. Пустить снаряд в еле ворочающуюся на месте стальную тушу не представляло большого труда.
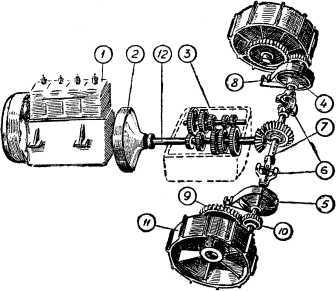
Танки «М-I» были неуклюжи из-за слишком громоздкого устройства механизмов, передающих движение от мотора к гусеницам. Все эти механизмы, вместе взятые, называются трансмиссией (от французского слова «трансмиссион» — передача).
С течением времени танковая трансмиссия была значительно усовершенствована. В настоящее время в большинстве танков трансмиссия состоит из главного фрикциона, коробки перемены передач, главной передачи, бортовых фрикционов и бортовых передач.
Главный фрикцион на языке автомобилистов называется сцеплением. Его назначение — передавать вращение от вала мотора в коробку перемены передач, а через нее колесам. Чаще всего сцепление состоит из сидящего на первичном валу подвижного диска, прижимающегося к маховику мотора. Поверхность диска шероховатая, поэтому между маховиком и диском возникает значительное трение. Когда маховик вращается, вместе с ним вращаются диск сцепления и тот вал, на котором он сидит.
Трение по-французски — фриксьон, отсюда название механизма сцепления — фрикцион. И так как этот фрикцион передает от мотора движение всему танку, то его по справедливости величают главным.
Коробка перемены передач в танке служит для той же цели, что и в автомобиле. При одной и той же скорости вращения мотора она позволяет менять скорость вращения ведущих колес от наименьшей до самой большой.
Когда танк должен взбираться на косогор или ломать толстое дерево, включается наименьшая передача. Ее называют первой. Танк на первой передаче идет медленно, зато развивает большую силу тяги.
При движении по ровной местности или по ровной дороге, когда на пути нет никаких препятствий, включают высшую передачу. При этом танк развивает наибольшую скорость, но зато сила его тяги наименьшая.
По длинному косогору танк на высшей передаче подняться не сможет: его мотор от большой натуги обязательно заглохнет.
На легковых автомобилях коробка имеет три передачи — первую, вторую и третью. На танках добавляются часто еще четвертая и пятая передачи.

Трансмиссия танка: 1 — мотор, 2 — главный фрикцион (сцепление), 3 — коробка передач, 4 — левый бортовой фрикцион, 5 — правый бортовой фрикцион, 6 — карданные сочленения, 7 — карданный вал, 8 — тормоз бортового фрикциона, 9 — конечная передача — ведомая шестерня, 10 — конечная передача — ведущая шестерня, 11 — ведущее колесо гусеницы, 12 — первичный вал.
В танках (как и в автомобилях) вал, передающий вращение от мотора, и ось ведущих колес располагаются под прямым углом друг к другу. В месте их соприкосновения помещаются две конические шестерни. Они-то и образуют главную передачу.
Бортовые фрикционы — это бортовые дисковые сцепления. Их два: правый и левый. Ори включают или выключают ведущие колеса танка, а с ними и гусеницы.
Наконец, между осью и ведущим колесом вставляется еще одна зубчатая передача — бортовая. Она дополнительно снижает скорость вращения ведущего колеса и вследствие этого увеличивает силу тяги.
Сидение водителя всегда помещается в передней части танка. Справа и слева от сидения перпендикулярно к полу торчат два рычага управления. Тягами они соединены с бортовыми фрикционами и тормозами.
Влево от сидения находится еще один рычаг, выходящий из коробки перемены передач.
Перед сидением слева у пола помещается педаль сцепления. При нажатии на нее левой ногой выключается главный фрикцион, при отпускании этой педали главный фрикцион включается.
Правее педали сцепления находится другая такая же педаль. Это ножной тормоз.
Еще правее, прямо перед сидением помещается малая педаль акселератора. Она соединена с заслонкой во всасывающей трубе мотора. При нажатии на эту педаль заслонка открывается все больше, и мотор начинает работать быстрее, так как в него поступает больше горючего.
Сев на свое место, водитель прежде всего проверяет, как стоит рычаг передач, — нужно, чтобы он был в нейтральном положении, то есть чтобы никакая передача не была включена. После этого простым нажатием на кнопку стартера заводится мотор. Двинув оба рычага управления вперед до-отказа, водитель включает бортовые фрикционы. На этом подготовка к троганию танка заканчивается.
Теперь водитель нажимает левой ногой педаль главного фрикциона и левой рукой включает первую передачу. Затем медленно отпускает педаль. Танк трогается с места.
Трогание с места любой машины — танка, трактора, грузового или легкового автомобиля — всегда нужно производить на первой передаче.
Разогнав немного танк, водитель снова нажимает педаль главного фрикциона, включает вторую передачу и опять отпускает педаль фрикциона.
На второй передаче танк двигается быстрее. Таким же способом включаются и высшие передачи — третья, четвертая и, если есть, пятая.
Чтобы повернуть танк вправо, водителю достаточно потянуть правый рычаг управления назад, на себя, так, чтобы он стал перпендикулярно к полу. При таком положении рычага правый бортовый фрикцион выключается, правая гусеница замедляет бег, а левая продолжает работать с прежней скоростью. От этого танк заходит левым плечом вперед. Поворот происходит по широкой дуге.
Если рычаг управления двинуть еще дальше назад до- отказа, то правая гусеница будет полностью заторможена, и танк начнет круто поворачиваться на месте.
Для поворота влево нужно тянуть на себя левый рычаг управления.
Для остановки танка достаточно, выключив главный фрикцион, нажать педаль ножного тормоза.
Управление современным танком вполне надежно. Поворотливость, а следовательно и маневренность многотонных машин доведены до высокого предела.
Глава третья
ТАНКИ ПОВЫШАЮТ ВЕЗДЕХОДНОСТЬ
От танков требуется не только большая скорость движения, маневренность, но и вездеходность. Однако четырехметровый танк не может перебраться через окоп двухметровой ширины. Для него такой окоп непреодолимая преграда.
Правда, еще под Камбре англичане придумали воспользоваться вязанками хвороста для перехода через широкие окопы. Но постоянно возить с собой такую вязанку едва ли удобно.
«Нельзя ли повысить проходимость танка без применения хвороста?»
Такой вопрос в 1930 году задал себе английский конструктор Штраусслер.
Однажды, гуляя в лондонском Гайд-парке, Штраусслер обратил внимание на паука, который ловко переполз через трещину в земле. Трещина была шире длины паучьего тела. Двигайся паук наподобие танка, он обязательно свалился бы в расщелину, но пауку помогли его длинные ноги. И у Штраусслера тут же блеснула мысль: «А нельзя ли и танку приделать паучьи ноги? Ведь это повысило бы его проходимость!»
Штраусслер так и поступил. Для опытов он воспользовался шеститонным танком «Виккерс-Армстронг».

Танк с ногами. Приспособление предложил английский конструктор Штраусслер.

Танк с ногами переходит через ров. Без ног он завалился бы.
Эта машина имеет в длину 4,9 метра и может переползать через окопы шириной в 1,8 метра.