Электронный микроскоп, стр. 11
Прочность защитных покрытий во многом зависит от внутреннего строения частиц краски. Иной раз выкрасишь какую-нибудь вещь, смотришь — а через короткое время краска уже потрескалась, покоробилась, шелушится, отваливается.
Изделие стало некрасивым, каким-то рябым, и, что самое главное, нарушился его защитный покров.
Другая же краска, наоборот, очень стойкая и держится годами почти без изменения.
Или взять, например, краску для материи. Одна краска быстро линяет при первой же стирке, а на другую не действуют ни высокая температура воды и пара, ни дождь, ни снег.
В чем же тут дело?
Почему одна краска хороша, а другая, и по химическому составу и по внешнему виду совершенно такая же, на деле никуда не годится?
Дело в структуре (внутреннем строении) краски.
Защитные свойства краски, ее прочность и устойчивость зависят от размеров отдельных частичек, от их формы (круглой, кубической, ромбовидной, игольчатой) и взаимного расположения.
Изучение этой тонкой структуры можно осуществить, только пользуясь электронным микроскопом.
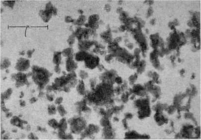
Существует краситель, который называется гемоцианином.
Только в электронный микроскоп можно увидеть отдельные молекулы этой краски.

Молекулы гемоцианина. Увеличение — 45 000.
На микрофотографии они выглядят, как маленькие шарики, и настолько малы, что на протяжении одного микрона можно уместить более тридцати молекул гемоцианина.
По величине, форме и взаимному расположению молекул можно судить о качестве этого красителя. Никакие другие приборы, кроме электронного микроскопа, не дают возможности рассмотреть молекулы гемоцианина.
СЕРЕБРЯНАЯ ЭМУЛЬСИЯ
Фотографические карточки бывают разные. Одни ясные, четкие, другие туманные, тусклые. На одни карточки приятно посмотреть. Смотришь — и не можешь налюбоваться каким-нибудь портретом или пейзажем. А на другие и смотреть не хочется: какие-то неясные фигуры, трудно различимые очертания лица, непонятные предметы.
Часто это объясняется плохим качеством светочувствительной эмульсии, нанесенной на фотопластинку или на фотобумагу.
Эмульсия, нанесенная тонким слоем на пластинку, на первый взгляд кажется сплошной. На самом же деле она состоит из отдельных зернышек сложного химического соединения. Чем крупнее зернышки, тем хуже получается изображение. И наоборот: чем тоньше, мельче фотографическая эмульсия, тем качество фотопластинок выше.
Электронный микроскоп позволяет детально изучить строение фотографических эмульсий и процессы, происходящие при фотографировании. Это помогает получать снимки высокого качества.
Теперь, услышав предупредительный возглас фотографа: «Спокойно — снимаю», вы действительно можете быть спокойны за качество фотоснимка.
Высокое качество фотоснимков особенно важно при съемке местности с самолетов и в других ответственных работах.
ШЕСТИГРАННЫЕ КРИСТАЛЛИКИ
Глина — прекрасный строительный материал. Из нее делают кирпичи для постройки жилых домов, заводов и фабрик. Из глины также делают посуду: горшки, тарелки, миски, чашки и многое другое. Одним словом, глина применяется в самых разнообразных отраслях техники.
Электронный микроскоп с успехом используется для исследования тонкого строения глины. Пользуясь этим прибором, исследователи увидели, например, что глинистый минерал каолинит состоит из очень тонких шестигранных кристалликов, прозрачных для электронных лучей.
Знание тонкого строения глинистых минералов дало возможность правильно их обрабатывать: были подобраны подходящие давление при прессовании и температура обжига.

Каолинит. Увеличение —17 000.
Из глины стали получать материалы более высокого качества при меньшей затрате технических и денежных средств.
Это стало возможным только потому, что советским ученым с помощью электронного микроскопа удалось проникнуть взором в глубь вещества.
С таким же успехом, как глины, исследуют другой важный строительный материал — цемент.
От величины и формы частиц цемента, а также от их взаимного расположения зависит прочность зданий, мостов, плотин и многих других железобетонных сооружений.
АЛМАЗНЫЙ РЕЗЕЦ
Электронный микроскоп также широко применяется для исследования стекла и фарфора.
Прочность и электрическая устойчивость фарфоровых высоковольтных изоляторов зависят от состава отдельных мельчайших частиц фарфора, от их формы и взаимного расположения. Многие другие изделия из стекла и фарфора исследуют с помощью электронного микроскопа.
Особенно большое значение имеет точная обработка всевозможных лабораторных физических приборов.
Для получения необходимой точности стекло шлифуют и полируют. Но как и чем лучше шлифовать и полировать стекло, чтобы на нем не получилось ни единой, даже самой незначительной царапинки? Какой состав порошков (абразивов) нужно выбирать для обработки стекла того или иного сорта? С какой скоростью лучше всего полировать стекло? Нужно ли это делать очень медленно или, наоборот, быстро?
На все эти вопросы дает ответ электронный микроскоп. Он позволяет с большой точностью определить, как и чем лучше обрабатывать стеклянные изделия, предназначенные для сложных установок.
Одним из таких важных стеклянных изделий является так называемая дифракционная решетка. Это физический прибор, употребляемый во многих научных лабораториях для спектрального анализа.
По виду дифракционная решетка очень проста и незамысловата. Это стеклянная круглая или прямоугольная пластинка, укрепленная в лабораторном штативе (подставке).
Но это не обычная пластинка. Если внимательно вглядеться в нее, то можно заметить, что она вся испещрена тончайшими очень ровными линиями — штрихами.
Штрихи наносятся на очень точных делительных машинах. На один миллиметр поверхности дифракционной решетки приходится от 1000 до 1500 линий. Можно себе представить, какая это топкая работа!

Микрофотография дифракционной решетки.
Расстояние между каждой линией менее тысячной доли миллиметра. Эти тончайшие линии наносятся на стекло посредством алмазных резцов.
Но как проверить, правильно ли нанесены линии алмазным резцом на стекло, достаточно ли точно выбран угол, под которым наносятся штрихи?
Электронный микроскоп позволяет дать ответ и на этот вопрос. Фотоснимки дифракционной решетки при увеличении в 10 тысяч раз и более помогают определить правильность и точность нанесения штрихов на стекло. На фотоснимке отчетливо вырисовываются следы работы алмазного резца. Если края линий получаются неровными или угол между ними выдержан неточно, электронный микроскоп укажет на это. Работники, изготовляющие дифракционные решетки, немедленно устранят дефекты.
Пользуясь электронным микроскопом, можно получать изделия исключительно высокого качества.
СЕРЕБРЯНЫЕ ОСТРОВКИ
Весьма полезным оказывается электронный микроскоп при изучении тонких металлических слоев, получаемых испарением в вакууме или катодным распылением.
При изготовлении фотоэлементов, этих чудесных электрических глаз, тончайший слой цезия или другого светочувствительного металла наносится на серебряную подкладку внутри стеклянной колбочки.
От правильного распределения этих тончайших слоев металла на поверхности стеклянной колбочки и от их структуры зависят физические свойства пленок и их долговечность.
На первый взгляд тонкий слой серебра, испаренного в вакууме, кажется сплошным и равномерно распределенным. Но электронный микроскоп нам показывает, что этот слой не сплошной и серебро лежит мельчайшими кусочками, расположенными в виде отдельных островков. Добиваясь измельчения этих кусочков металла, получают более равномерную пленку. Чем равномернее слой металла, из которого сделана пленка, тем он лучше в работе.