Мотоциклы, стр. 36
При включении аккумулятора в цепь потребителей снова происходит взаимодействие активной массы с электролитом. На положительных и отрицательных пластинах образуется сернокислый свинец, и плотность электролита уменьшается.
Каждый аккумулятор независимо от величины числа пластин дает напряжение, равное примерно 2 в.
На большинстве мотоциклов принята шестивольтовая система электрооборудования. Чтобы от аккумуляторной батареи получить напряжение 6 в, аккумуляторную батарею составляют из трех аккумуляторов, соединенных последовательно.
Количество электричества, получаемое от полностью заряженной аккумуляторной батареи при разрядке в течение 10 часов током постоянной величины, носит название емкости аккумуляторной батареи.
Емкость аккумуляторной батареи измеряется в ампер-часах. Число ампер-часов представляет собой произведение принятого для данной аккумуляторной батареи разрядного тока на время, в течение которого будет происходить разрядка.
На мотоциклах устанавливаются аккумуляторные батареи, имеющие обозначение ЗМТ-7 и ЗМТ-14. Первый знак — цифра 3 обозначает количество аккумуляторов в батарее, а следовательно, и напряжение батареи. Второй знак — буква М и третий знак — буква Т обозначают, что аккумуляторная батарея мотоциклетного типа. Последняя цифра обозначает емкость аккумулятора при 10-часовом разряде.
2. Генераторы
Генератор служит для питания электрическим током потребителей и для зарядки аккумуляторной батареи.
Генератор на мотоцикле работает в условиях переменного числа оборотов коленчатого вала и изменяющейся нагрузки, но для нормальной работы всех приборов системы электрооборудования генератор на всех рабочих режимах должен поддерживать постоянное напряжение.
Генератор, устанавливаемый на мотоциклах, должен иметь небольшие размеры, небольшой вес и надежно работать в различных условиях эксплуатации.
Основой работы генератора является наведение тока в проводнике, который пересекает магнитное поле.
Схема генератора представлена на рис. 77.

Рис. 77. Схема генератора: 1 — корпус; 2 — полюсные башмаки; 3 — обмотка возбуждения; 4 — якорь; 5 — щетка; 6 — коллектор.
Генератор состоит из корпуса 1 с полюсными башмаками 2. На полюсных башмаках намотана обмотка возбуждения 3, которая своими концами соединяется со щетками 5. От щеток провода выходят наружу для соединения с потребителями.
Корпус и полюсные башмаки выполнены из стали, обладающей остаточным магнетизмом. На якоре 4 намотаны проводники, концы которых крепятся к пластинам коллектора 6. Каждая пластина изолирована от соседних пластин.
Когда во время работы двигателя якорь начинает вращаться, проводники якоря пересекают магнитное поле между полюсными башмаками корпуса. При этом в проводниках наводится электрический ток, который частично идет по цепи обмотки возбуждения и частично поступает на питание потребителей. Ток, проходящий по обмотке возбуждения, превращает полюсные башмаки в электромагниты, магнитное поле между башмаками усиливается, и на обмотки якоря генератора наводится большее напряжение.
Таким образом, с увеличением возбуждения растет и напряжение, снимаемое со щеток генератора.
На мотоциклах применяются генераторы как постоянного, так и переменного тока.
Генератор Г-11 (рис. 78). Устанавливается он на двигателе мотоцикла М-72.

Рис. 78. Генератор Г-11: 1 — корпус генератора; 2 — обмотка возбуждения; 3 — полюсный башмак; 4 — передняя крышка корпуса; 5 — защитная лента; 6 — якорь; 7 — коллектор; 8 — задняя крышка корпуса; 9 — щетки.
Корпус генератора 1 имеет один полюсный башмак 3, на котором намотана обмотка возбуждения 2. Роль второго полюсного башмака выполняет углубление на противоположной башмаку стенке корпуса.
Внутри корпуса эксцентрично размещен якорь 6 генератора, концы обмоток которого выведены на коллектор 7. Электрический ток с коллектора снимается щетками 9, установленными в щеткодержателях на задней крышке 8 корпуса. Вал якоря опирается на шариковые подшипники, установленные в передней 4 и задней крышках корпуса генератора. Один конец обмотки возбуждения подсоединен к зажиму Ш, а второй конец — с одной щеткой генератора, которая имеет вывод, к зажиму Я. Другая щетка генератора соединена с массой корпуса генератора. В задней крышке корпуса генератора имеются окна, закрываемые лентой 5.
На валу якоря устанавливается шестерня, которая входит в зацепление с шестерней распределения двигателя. Эксцентричное расположение вала якоря в корпусе позволяет регулировать зазор между зубьями шестерен привода.
Правильная установка зазора достигается поворотом корпуса генератора по часовой стрелке до отказа и последующим перемещением корпуса на 2–3 мм в обратную сторону.
Мощность генератора Г-11 равна 45 вт при 7500 оборотов в минуту и напряжении 6 в.
На мотоциклах M1А устанавливается генератор Г-35, а на мотоциклах ИЖ-350 — генератор Г-36. Генераторы Г-35 и Г-36 принципиального отличия в устройстве от генератора Г-11 не имеют.
3. Реле-регуляторы
Во время работы двигателя обороты якоря генератора изменяются в больших пределах, а следовательно, изменяется и напряжение тока, вырабатываемого генератором. Значительное увеличение напряжения тока во время работы двигателя может привести к перегоранию нитей ламп в системе освещения, к чрезмерному повышению силы зарядного тока и т. д.
С целью поддержания постоянства напряжения при изменении оборотов якоря генератора в систему электрооборудования включен специальный прибор — реле-регулятор (реле-регулятор состоит из двух самостоятельно работающих приборов — регулятора напряжения и реле обратного тока).
Но при постоянном напряжении, поддерживаемом регулятором, сила тока, снимаемая с генератора, при увеличении нагрузки будет увеличиваться. Поэтому регулятор предназначен также ограничивать силу тока, вырабатываемого генератором. Таким образом, регулятор напряжения предохраняет генератор от перегрузки, приводящей к перегреву обмоток генератора и выходу их из строя.
Реле обратного тока служит для соединения цепи генератор — аккумуляторная батарея, когда напряжение тока, вырабатываемого генератором, выше напряжения аккумулятора (зарядка аккумулятора), и для размыкания цепи генератор — аккумуляторная батарея, когда напряжение тока, вырабатываемого генератором, ниже напряжения аккумуляторной батареи, так как при падении напряжения генератора ток из «аккумуляторной батареи может пойти на массу по обмоткам генератора и перегреть их.
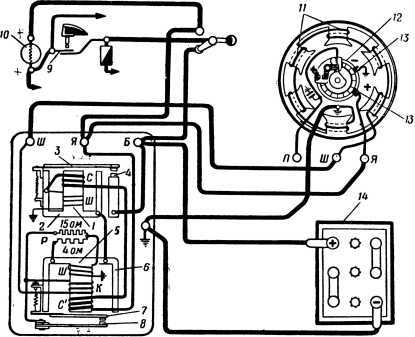
Реле-регулятор РР-30. На мотоциклах М1А и М-72 устанавливаются реле-регуляторы РР-30 и РР-31. Поскольку они имеют одинаковое устройство, ограничимся описанием работы реле-регулятора РР-30 (рис. 79).

Рис. 79. Реле-регулятор РР-30: 1 — сердечник реле обратного тока; 2 — ярмо реле обратного тока; 3 — якорь реле обратного тока; 4 — неподвижный контакт (стойка) реле обратного тока; 5 — сердечник регулятора напряжения; 6 — ярмо регулятора напряжения; 7 — якорь регулятора; 8 — неподвижный контакт регулятора напряжения; 9 — замок зажигания; 10 — контрольная лампочка; 11 — обмотка возбуждения генератора; 12 — якорь генератора; 13 — щетки; 14 — аккумулятор; С — толстая сериесная обмотка реле обратного тока; Ш — шунтовая обмотка; С' — сериесная обмотка регулятора напряжения; Ш' — шунтовая обмотка регулятора напряжения; К — выравнивающая обмотка; Р — сопротивление реле-регулятора; Б — контакт; Я и П — зажимы.