Как проектировать электронные схемы, стр. 13
Определение емкости конденсатора
Маркировка конденсаторов при помощи цветового кода применяется очень редко. Значение емкости обычно пишется на корпусе прибора. Однако размер надписи на миниатюрных компонентах поверхностного монтажа столь мал, что ее невозможно прочесть. Иногда же маркировка неразборчива (из-за некачественной печати) или даже ошибочна и на классических компонентах.
Чтобы с достаточной точностью определить емкость конденсатора, можно собрать простую схему генератора импульсов, показанную на рис. 2.26.

Вначале измеряют частоту генератора с эталонным конденсатором или, по крайней мере, с конденсатором известной емкости, а затем его заменяют компонентом, емкость которого требуется определить. Повторно измеряют частоту и определяют требуемый параметр с помощью простого соотношения (см. главу 5, раздел «Классические импульсные устройства»). Такую схему можно без труда смонтировать на макетной плате, снабженной разъемом для подключения осциллографа.
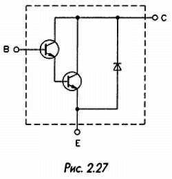
ТРАНЗИСТОРЫ ДАРЛИНГТОНА
Интегральные транзисторы Дарлингтона обладают весьма привлекательными характеристиками: очень высоким усилением по току (порядка 1000), значительной допустимой рассеиваемой мощностью и малыми размерами. Некоторые из них содержат также защитный диод, включенный между эмиттером и коллектором (рис. 2.27). Это удобно для непосредственного управления индуктивной нагрузкой, например реле. Однако при проведении проверки транзистора с помощью тестера необходимо помнить о существовании диода.

ТЕМПЕРАТУРНЫЙ ДРЕЙФ ПАРАМЕТРОВ ДИОДОВ
Диоды, как и все полупроводниковые приборы, подвержены температурному дрейфу характеристик, который может быть весьма значительным (именно эта особенность позволяет использовать диод в качестве датчика температуры). Об этом необходимо помнить как при проектировании устройства, так и при размещении его компонентов в корпусе. В частности, наиболее чувствительные элементы следует располагать как можно дальше от источников тепла: радиаторов, трансформаторов и т. д. Диодный детектор пиков, приведенный на рис. 2.28, является примером схемы, очень чувствительной к температуре.

ДИФФЕРЕНЦИРУЮЩАЯ ЦЕПОЧКА
Дифференцирующая цепочка широко применяется в самых разнообразных схемах. Она используется, в частности, для генерации коротких импульсов, синхронизованных с фронтом прямоугольного сигнала, которые служат, например, для запуска симистора. Положительные и отрицательные перепады напряжения, поданные на дифференцирующую цепочку, генерируют импульсы различной полярности, которые при необходимости легко разделить (рис. 2.29). Параметры резистора и конденсатора выбирают с учетом нужной длительноcти выходных импульсов Ти в соответствии с приблизительным соотношением Ти = RC.

УДВОИТЕЛЬ НАПРЯЖЕНИЯ
Удвоитель напряжения (а в более общем случае умножитель напряжения) представляет собой определенное соединение диодов и конденсаторов. Этот принцип построения давно используется для получения очень высоких напряжений, например в телевизорах или в устройствах для ионизации газа. Небольшая схема, представленная на рис. 2.30, применяется для получения постоянного напряжения, приблизительно вдвое превышающего напряжение на входе.
Для работы схемы нужен сигнал прямоугольной формы низкой частоты. В данной схеме используются только положительные импульсы, что отличает ее от классических удвоителей, работающих от сети или от синусоидального напряжения, снимаемого со вторичной обмотки трансформатора.

ДИСКРЕТИЗАЦИЯ АНАЛОГОВЫХ СИГНАЛОВ
Дискретизация — операция, направленная на определение мгновенных значений сигнала сложной формы в заданные моменты времени (рис. 2.31).

Для выполнения дискретизации требуется стабильный тактовый генератор, который задает временные интервалы для вырезания части сигнала. Пиковый детектор фиксирует максимальное значение сигнала за данный период. Такое устройство можно построить на базе конденсатора, разряженного в исходном состоянии, который за интервал дискретизации заряжается до нужного уровня.
Устройство дискретизации сигнала входит в состав аналого-цифрового преобразователя, который преобразует мгновенные значения напряжения в соответствующую последовательность двоичных чисел (см. раздел «Аналого-цифровое преобразование»). Совершенно очевидно, что точность такой схемы зависит от частоты дискретизации. Чем она выше, тем меньше вероятность пропустить кратковременное изменение сигнала на входе. Согласно известной теореме, частота дискретизации должна равняться по крайней мере удвоенной максимальной частоте спектра сигнала, подвергаемого этой операции.
Предположим, требуется произвести аналого-цифровое преобразование речевого сигнала, ограничив его полосу пропускания до 3000 Гц (качество звучания, обеспечиваемое телефоном). В этом случае придется работать на частоте дискретизации минимум 6000 Гц, что при получении восьмибитовых двоичных чисел требует быстродействия 6000 байт/с. Учитывая этот принцип, несложно оценить место, занимаемое на компакт-диске 40-минутным музыкальным произведением стереофонического звучания, преобразованным в цифровую форму с частотой дискретизации 44 кГц.
ПРОГРАММИРУЕМОЕ ПОСТОЯННОЕ ЗАПОМИНАЮЩЕЕ УСТРОЙСТВО
Области применения
Программируемое постоянное запоминающее устройство (ППЗУ) было первым программируемым компонентом памяти, легким в использовании и относительно недорогим. На сегодняшний день благодаря стремительному развитию микроэлектроники эти компоненты обладают таким объемом, о котором еще недавно не приходилось и мечтать. Несмотря на появление микроконтроллеров, обладающих собственными устройствами памяти, ППЗУ не теряют своей популярности. Они были созданы для хранения двоичной информации в виде программ или данных. Но этим использование данных устройств не ограничивается.
С помощью ППЗУ возможно реализовать довольно сложные логические функции, что обходится гораздо дешевле, чем разработка соответствующего устройства на традиционных логических микросхемах.
ППЗУ можно рассматривать как некоторый «черный ящик» с X входами и восемью выходами. Число входов зависит от емкости устройства памяти и соответствует числу адресных линий (рис. 2.32). Так, микросхема 2716 емкостью 2 Кб имеет 11 входов, а микросхема 27512 (64 Кб) — 16.

Типичное использование таких компонентов в области информатики сводится к дешифрации адреса.
Предположим, требуется, чтобы один бит перешел в нулевое состояние по адресу или группе адресов в области памяти размером 16 бит. Осуществление такой функции при помощи логических вентилей требует значительного числа компонентов.
Имея ППЗУ, достаточно запрограммировать адрес X (адрес дешифрации) соответствующими данными. Если речь идет о нулевом бите шины данных, то по выбранному адресу нужно записать число 254 (или FE в шестнадцатеричной системе счисления, см. главу 4, раздел «Системы счисления»). По остальным адресам данные останутся неизменными (в них, как правило, исходно записано число FFH). Если записать FEH в нескольких ячейках памяти, можно задать не один адрес, а группу адресов. Ввиду того что в ячейке остается еще семь свободных бит, в сумме можно задать до восьми различных результатов дешифрации. Для исправления ошибки или внесения изменений достаточно стереть информацию и запрограммировать устройство заново.