Лекции по схемотехнике, стр. 18

Рисунок 54 Функциональная схема а) и УГО б) параллельного регистра.
Перед записью информации все триггеры регистра устанавливают в состояние «0» путём подачи импульса «1» на их R-входы.
Записываемая информация подаётся на входы DI1…DI4. Для записи информации подаётся импульс «Зп», открывающий входные элементы «И». Код входного числа записывается в регистр. По окончании импульса «Зп» элементы D1…D4 закрываются, а информация, записанная в регистр, сохраняется несмотря на то, что входная информация может изменяться.
Для считывания информации подают сигнал «1» на вход «Чт». По этому сигналу на выходные шины регистра на время действия сигнала передаётся код числа, записанный в регистр. По окончанию операции чтения выходные ключи закрываются, а информация, записанная в регистр, сохраняется. То есть возможно многократное считывание информации. Условное графическое обозначение параллельного регистра приведено на рисунке 54,б.
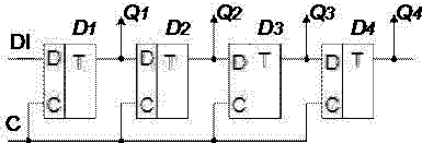
5.2.2 Регистры сдвига
Регистры сдвига представляют собой цепочку последовательно включённых D-триггеров или RS- и JK-триггеров, включённых в режим D-триггера. Появление импульса на тактовом входе регистра сдвига вызывает перемещение записанной в нём информации на один разряд вправо или влево. Как и другие регистры, регистры сдвига используются для записи, хранения и выдачи информации, но основным их назначением является преобразование последовательного кода в параллельный или параллельного в последовательный.
Схема 4-разрядного регистра сдвига приведена на рисунке 55. Схема работает следующим образом. Благодаря тому, что выход предыдущего разряда соединён со входом «D» последующего, каждый тактовый импульс устанавливает последующий триггер в состояние, в котором до этого находился предыдущий. Так осуществляется сдвиг информации вправо.

Рисунок 54 4-разрядный регистр сдвига
Вход «D» первого триггера служит для приёма в регистр входной информации DI в виде последовательного кода. С каждым тактовым импульсом на этот вход должен подаваться код нового разряда входной информации.
Запись параллельного кода информации может быть произведена через нетактируемые установочные входы
С выхода «Q4» последнего триггера снимается последовательный выходной код. Код на этом выходе регистра появляется с задержкой относительно входного последовательного кода на число периодов тактовых импульсов, равное числу разрядов регистра.
Параллельный выходной код можно снять с выходов Q1…Q4 всех триггеров регистра сдвига, снабдив их выходными ключами, подобными выходным ключам параллельного регистра (См. рисунок 54,а).
5.2.3 Реверсивные регистры сдвига
Реверсивные регистры сдвига обеспечивают возможность сдвига информации как вправо, так и влево. Они имеют специальный вход управления направлением сдвига.
Поскольку транзисторы и логические элементы способны передавать сигналы только в одном направлении с входа на выход (слева направо), то, для сдвига информации влево, необходимо информацию с выхода последующих триггеров по специально созданным цепям подавать на входы предыдущих триггеров и записывать их следующим тактовым сигналом. Это эквивалентно сдвигу информации влево.
Фрагмент функциональной схемы реверсивного регистра сдвига приведён на рисунке 56.

Рисунок 56 Реверсивный регистр сдвига
Если сигнал на входе направления сдвига N=1, то потенциал на входе «Di» триггера определяется выходом Q триггера, стоящего слева от него. Если N=0, то выходом триггера, стоящего справа.
Таким образом, при N=1 тактовые импульсы производят сдвиг информации вправо, а при N=0 –— сдвиг информации влево.
5.2.4. Интегральные микросхемы регистров (примеры)
Интегральные микросхемы регистров, как и другие микросхемы, имеют дополнительные управляющие входы, расширяющие их функциональные возможности и делающие их универсальными. В качестве примера рассмотрим микросхему К155ИР13.
К155ИР13 — это 8-разрядный реверсивный регистр сдвига с возможностью параллельной записи информации. УГО этого регистра приведено на рисунке 57. Изучив назначение входных и выходных сигналов, легко усвоить функциональные возможности микросхемы и особенности её применения.

Рисунок 57 Реверсивный регистр сдвига и записи информации К155ИР13
Буферный регистр КР580ИР82, входящий в состав МП-комплекта КР580, построен на D-триггерах и предназначен для записи и сохранения 8-разрядных данных в течение заданного промежутка времени. Этот регистр называют также регистром-защёлкой. Например, в МП-системах на МР КР580 он используется сохранения в течение машинного цикла байта состояния, а на МП1810 — адреса, поступающего по мультиплексированной шине адреса-данных. Его функциональная схема и условное графическое обозначение приведены на рисунке 58,а,б.

Рисунок 58 Буферный регистр КР580ИР82:
а) — функциональная схема, б) — УГО
Регистр состоит из 8-и D-триггеров, тактируемых фронтом, и 8-и элементов с тремя выходными состояниями. Схема управления построена на двух элементах ИЛИ-НЕ.
Если на вход
Таким образом, микросхема может работать в трёх режимах:
-
-
-
Многорежимный буферный регистр (МБР) К589ИР12 является универсальным 8-и разрядным регистром, состоящим из D-триггеров и выходных буферных схем с 3-мя устойчивыми состояниями. МБР имеет также встроенную селективную логику: «Схема управления режимами» и отдельный D-триггер для формирования запроса на прерывание центрального процессора.
МБР предназначен для использования в качестве портов ввода информации в МП от внешних устройств, или портов вывода информации из МП во внешние устройства.
Функциональная схема МБР и его УГО приведены на рисунке 59,а,б.

Рисунок 59 МБР К589ИР12: а) Функциональная схема, б) УГО.
Схема управления режимами (D1, D2, D4) в зависимости от сочетания управляющих сигналов C, ВР,
- Запись входной информации от внешнего устройства по сигналам