Gloster Meteor, стр. 11
Кабина PR MK 10

PANEL A

PANEL В
1. Trimmer lamp 2. N/A 3. G Manual’ switch 4. 'G Auto' switch 5. Radio change-over switch 6. Brake gauge lamp 7. Press-to-speak switch 8. Ancillary lamps dimmer switch 9. Ultra-violet flood lamps 10. Nose camera switch 11. Nose camera warning lamp 12. Instrument panel lamps 13. Emergency lamps 14. Port camera switch 15. Port camera warning lamp 16. Counter switch 17. Rear cameras controller 18. Starboard camera switch 19. Starboard camera warning lamp 20. N/A 21. Nose camera controller 22. Emergency lamp switch 23. Camera shutter jettison 24. Instrument panel lamps dimmer switch 25. Ultra-violet lamps dimmer switch 26. Clock 27. Radio controller (No.1 set) 28. Radio controller (No.2 set) 29. Map case 30. Downward identification lamps push button 31. IFF distress switch 32. IFF controller 33. IFF on/off switch 34. Downward identification lamps selector switch 35. Downward identification lamps steady switch 36. Pressure head heater switch 37. Recognition lamp switch 38. Navigation lamps switch 39. Landing lamp switch 40. Accumulator isolating switch 41 Generator failure warning lamp

Meteor F Mk 1

Meteor F Mk 3

Meteor F Mk 4 Port Profile

Meteor F Mk 3


Meteor F Mk 3

Meteor F Mk 3

Meteor FR Mk 10 поздний

Meteor FR Mk 9 ранний

Meteor T Mk 7 поздний

Meteor T Mk 7 поздний

Meteor FR Mk 9 ранний

Meteor FR Mk 9 ранний

Meteor FR Mk 10 поздний

Meteor FR Mk 10 поздний

Meteor NF Mk 11

Meteor NF Mk 11

Meteor NF Mk11

Meteor F Mk 8 ранний

Meteor F Mk 8 ранний

Meteor F Mk 8 ранний

Meteor F Mk 8 поздний

Meteor F Mk 8 ранний

Meteor F Mk 8 ранний


Meteor F Mk 8 ранний

юг NF Mk 14

Meteor NF Mk

Meteor NF Mk

Meteor NF Mk 14

Кабина NF Mk 11
1. Pilot's notes and map case 2. Trimmer lamp 3. Selector dimmer control 4. Harness stowage 5. Brake pressure gauge lamp 6. Range control 7. Press-to-transmit switch 8. Hood opening handle 9. Ancillary lamps dimmer switch 10. Ultra-violet lamps 11. Clock 12. Instrument panel lamps 13. Emergency lamps 14. Ultra-violet lamps dimmer switch 15. Gunsight spare bulbs 16. Gyro gunsight 17. Gunsight recorder camera 18. Gunsight emergency retraction control 19. Gunsight retractor frame switch 20. Gunsight master circuit breaker 21. Hood jettison handle 22. Instrument panel lamps dimmer switch 23. Telebriefing switch and lamp 24. Instrument panel lamps 25. Ultra-violet lamps 26. Time-of-flight clock lamp 27. Time-of-flight clock 28. Canopy emergency release, rear hooks 29. Canopy hood starboard catches indicator 30. Harness stowage 31. Gun firing safety catch 32. Gun firing trigger 33. Cine camera push button 34. Harness release lever 35. Generator failure warning lamp 36. Tel/mic socket 37. Stowage for gunsight recorder camera 38. Compass lamp 39. Press-to-mute switch 40. Emergency lighting switch 41. Battery isolating switch 42. Night gunnery training lamps switch (pre-MOD.5221) 43. VHF frequency controller 44. Intercom emergency switch 45. VHF frequency controller 46. Taxi lamps switch 47. Pressure head heater switch 48. Navigation lamps switch 49. Cine camera sunny/cloudy switch 50. Cine camera master switch 51. Downward identification lamps selector switch 52 Downward identification lamps steady switch 53. Downward identification lamps push button 54. IFF distress switch 55. ‘G Auto' switch 56. 'G Manual' switch 57. Switch panel lamp 58. VHF change-over switch

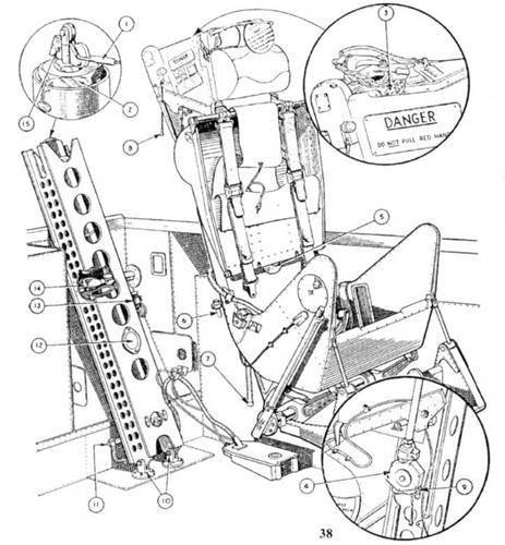
Рисунок процедуры демонтажа катапультного кресла PR Mk 10. Кресло выглядело аналогично и на других "катапультных" "Метеорах".

Кабина NF Mk 11
1 Junction box (SCR.720 amp; SCR.729) 2. Visor (stowed) (SCR.720 amp; SCR.729) 3. Protractor stowage 4. Chart board (stowed) 5. Dimmer switch for ASI and altimeter flood lamps (post-MOD 5381) 6. Rectifier Type 88 (SCR.720) 7. Hood seal pressure test connection 8. Oxygen supply regulator 9 Hood opening handle 10. Receiver (Gee) 11. Control box (SCR.720) 12. Airspeed indicator (post-MOD.5381) 13. ASI flood lamp (post-MOD.5381) 14. Indicator (Gee) 15. Indicator (SCR.720 amp; SCR.729) 16. Control box (SCR.729) 17. Altimeter flood lamp (post-MOD.5381) 18. Altimeter (post-MOD.5381) 19. Synchroniser (SCR.720 amp; SCR.729) 20. Hood jettison handle 21. Harness release 22. Compass master indicator flood lamp 23. Intercom emergency switch 24. Hood emergency release, rear hooks 25. Master indicator, gyro-magnetic compass Mk 4B 26. Control box Type 89 and 90 (IFF) 27. Dimmer switch (post-M0D.5103) for chart lamp and compass master indicator flood lamp 28. Asbestos gloves 29. Mic/tel socket 30. Wave-form generator (Gee) 31. Amplifier (compass) 32. Control box, three-phase AC supply 33. Power unit (SCR.720) 34. Seat adjuster lever 35. Rectifier Type 90 (SCR.720) 36. Oxygen mask socket 37. Press-to-mute switch (foot- operated) 38. Chart lamp 39. Footrest 40. Transmitter/receiver SCR.729 41. Generator reset switches 42. Gee AC circuit breaker 43. Radar AC supply push button 44. Phase-failure indicator, three-phase AC supply 45. Flight instruments emergency switches, three-phase AC supply 46. Generator field circuit breakers 47 Chart lamp supply socket 48 SCR.720 DC circuit breaker 49. VHF circuit breakers 50. Gee AC and DC switches 51. SCR.720 AC circuit breaker 52. SCR.729 AC circuit breaker 53 Generator failure warning lamps 54. IFF supply socket 55. Generator test panel trimmer 56. Generator test panel test sockets (volts and amps) 57. Generator test panel trimmer