Me 163 ракетный истребитель Люфтваффе, стр. 20
Два снимка кабины. Левая консоль: ручка газа, под консолью бак T-Stoff. Ниже правый борт. Виден маховик регулировки триммеров. На правом борту также дополнительный бак для T-Stoff.
Броней была прикрыта носовая часть самолета. Носовой обтекатель изготавливался из брони толщиной 15 мм. Лобовое бронестекло имело толщину 90 мм. Сзади голову, плечи и спину пилота прикрывала бронеспинка толщиной 15 мм.
Две пушки Mauser MG 151/20 располагались по одной в основании крыльев. Начиная с машины № 47 на самолетах появились пушки Rheinmetall-Borsig MK 108 с боекомплектом 80 (60) выстрелов на ствол. Прицел Revi 16B установлен над приборной панелью.
В конце войны испытывались различные нетрадиционные виды вооружения. Это были 50-мм гранатометы SG 500 Jaegdfaust. Гранатометы стреляли вверх и спускались автоматически с помощью фотокамеры, когда «Комета» оказывалась под самолетом противника. Один залп выпускал сразу пять гранат, так что пилот мог делать два боевых захода. Перезаряжалась система на земле.
На «Комете» (Me 163А) в порядке эксперимента установили 2 12-трубных пусковых установок для ракет R4M.
Двигатель Walter HWK 109-509А-0 крепился к 8-му шпангоуту фюзеляжа в трех точках.
Топливная система состояла из двух типов баков: баков для T-Stoff (топливо) и C-Stoff (окислитель). Заполнение баков T-Stoff проводили через переднюю горловину, a C-Stoff — через заднюю.
Подробно о топливе рассказано в главе, посвященной подробному разбору двигателя.
Баки на Me 163В-1 имели следующий объем, л:
| T-Stoff главный бак в фюзеляже | 1040 |
| T-Stoff правый вспомогательный бак | 60 |
| T-Stoff левый вспомогательный бак | 60 |
| C-Stoff бак в левом крыле | 177 |
| C-Stoff передний бак в левом крыле | 73 |
| C-Stoff бак в правом крыле | 177 |
| C-Stoff передний бак в правом крыле | 73 |
| Всего | |
| T-Stoff | 1160 |
| C-Stoff | 50 |
| Итого | 1660 л (около 2026 кг) |

Бронирование кабины пилота:
1. Стальной носовой обтекатель. 2. Передняя часть кабины. 3. Бронестекло. 4. Регулируемые упоры бронестекла. 5. Амортизатор вибрации. 6. Изголовье. 7. Бронеплита. 8. Спинка кресла пилота. 9. Бронеплита, закрывающая плечи.

Бронестекло, установленное в передней части кабины.

Пушки MG 151/20.
1. Пушка MG 151/20. 2. Подаватель боекомплекта. 3. Двойной магазин. 4. Прицел Revi 16В. 5 SZKK 4. 6. Фотокарабин. 7. Светофильтр. 8. Предохранители. 9. Ручка KG 12Е. 10 Коробка EDKS-B1. 11. Соленоид SVK 1-151. 12. Передняя маска. 13. Задняя маска. 14. Уплотнитель.

Пушки МК 108.
1: Пушка МК 108. Консоль электропитания. 3. Контейнеры с боекомплектом. 4. Подаватель боеприпасов. 5. Фотокарабин.
Двигатель Me 163
Работы по созданию ракетных двигателей сначала на твердом, а затем и на жидком топливе начались в Германии еще в 20-х годах XX века. Газовые турбины профессора Гельмута Вальтера выпускались с 30-х годов на его заводе в Киле. С 35-го года Вальтер изучал двигатели с окислителем перекись водорода. Первоначально это должна была быть турбина для сухопутного транспорта, а позднее обнаружилась перспектива ставить такие двигатели на самолеты. В 1936 году DVL построил первый опытный двигатель, работавший на разложении перекиси водорода (T-Stoff) с помощью катализатора («холодный» двигатель). Перекись водорода подавалась в камеру сгорания с помощью сжатого воздуха. Вырывающиеся газы давали в течении 45 секунд тягу около 135 кг. Этот двигатель испытали в полет в качестве ускорителя на Не 72. В 1937 году Вальтер модифицировал двигатель. Теперь в качестве катализатора (Z-Stoff) выступал перманганат калия. С новым катализатором двигатель развил тягу 290 кг, но проработал всего 30 секунд. T-Stoff по прежнему подавался с помощью сжатого воздуха. Этот двигатель был испытан на Fw 56.
В 1937 году появился новый двигатель — Walter RI-203, работавший на двусоставном топливе: метанольная смесь (М-Stoff) и перекись водорода (T-Stoff). Тяга двигателя образовывалась за счет сгорания топлива. Это был так называемый «горячий» двигатель. Тягу двигателя можно было регулировать, регулируя производительность насосов, подающих топливо в камеру сгорания. Насосы отбирали мощность от газовой турбины. Двигатель развивал тягу 500 кг на протяжении 60 секунд. Этот двигатель стал основным на первом немецком ракетном самолете Не 176, который поднялся в воздух 20 июня 1939 года.
Дальнейший вариант двигателя — RII-203 — также работал на двухсоставном топливе. Тяга двигателя регулировалась в пределах 150–750 кг. Этот двигатель ставили на Me 163А и на несколько (два?) прототипа Me 163B.
Двигатель RII-211 стал следующим шагом в эволюции двигателей Вальтера. Этот двигатель также работал на двухсоставном топливе: T-Stoff и C-Stoff. Сгорание топлива в рабочей камере проходило при заметно большей температуре, почти в два раза большей, чем у предыдущего двигателя. Поэтому R П-211 также называли «горячим», сравнивая его на этот раз с RII-203. RII-211 пошел в серию под обозначением HWK 109-509A.
HWK 109-509А-0
Предсерийные экземпляры выпускались в 1943 году. Тяга 300-1500 кг. Масса двигателя около 168 кг.
HWK 109-509А-1
Серийные двигатели, устанавливавшиеся на Me 163D, DFS 228 и Ва 349. Тяга 100… 1600 кг, масса двигателя 168 кг.
HWK 109-509А-2
Двигатель с двумя рабочими камерами (стартовой и маршевой), стоял на Me 163С. Тяга 200…1700 кг (маршевый 200 кг).
HWK 109-509В-1
Модификация на базе А-1 с тягой до 2000 кг. Стоял на Me 163В и DFS 345.
HWK 109-509С-1
Двухкамерный вариант на базе В- 1 с тягой 400…2000 кг. Стоял на Ju 248 (Me 263).
Всего выпустили около 500 экземпляров двигателей HWK 109–509 всех модификаций.

MG 151/20:
1. Крышки пока. 2. Пушка MG 151/20. 3. Кожаный фартук. 4. Обойма.

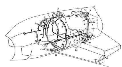
Схема топливной системы:
1. Перелив для T-Stoff. 2. Дренаж для T-Stoff. 3. Перелив для C-Stoff. 4. Дренаж для C-Stoff. 5. Горловина T-Stoff. 6. Расширительный бачок для T-Stoff. 7. Горловина для T-Stoff. 8. Кран. 9. Аварийный кран. 10. Соединение. 11. Наполнитель пускового бака. 12. Наружное соединение баков в крыльях. 13. Внутреннее соединение баков в крыльях. 14. Клапан сброса повышенного давления для T-Stoff. 15. Клапан сброса повышенного давления для C-Stoff. 16. Контур заполнения баков C-Stoff. 17. Пусковой контур для C-Stoff. 18. Пусковой контур для T-Stoff. 20. Клапан аварийного сброса топлива. 21. Как ускорителя.