Трагедия подводной лодки «Комсомолец», стр. 15
Суммируя действия экипажа за время с 11 часов 12 минут по 11 часов 14 минут, можно констатировать, что в этот период главный командный пункт наконец-то начал выполнять обязательные первичные действия при возникновении пожара, предписываемые статьей 89 РБЖ-ПЛ-82: принял решение о всплытии подводной лодки в надводное положение; назначил рубежи обороны; принял решение об эвакуации личного состава из аварийного отсека. Эти действия главного командного пункта подтверждают сообщения мичмана Каданцева, лейтенанта Третьякова и капитана 3-го ранга Елманова о том, что аварийная тревога была объявлена в 11 часов 12 минут. К сожалению, эти действия командования лодки были неполными и значительно запоздали.
Вахтенный журнал:
«11.14 – Всплываем в надводное положение. Поднять «Бухту». Перископ. Продуть главный балласт. Руль вертикальный в ручное управление. Продувается главный балласт».
Настал кульминационный момент начальной стадии аварии.
Лейтенант А.В.Зайцев (объяснительная записка): «Получил приказание продуть среднюю, стал продувать на глубине 152 метра. Повторно дал воздух на 70 – 100 метрах, при всплытии ПЛ в надводное положение продул концевые группы ЦГБ. После продувания концевых групп ЦГБ крен и дифферент были равны 0°. Давление [25] в 1-й, 3-й, 4-й перемычках было около 150 – 200 кгс/см2.Давление на манометрах 6-го и 7-го отсеков через 10 минут показывало 6 кгс/см2, и оно росло; одновременно падало давление в 1-й, 3-й, 4-й перемычках… Сразу после всплытия крен и дифферент были равны 0°, но буквально через 1 – 2 минуты крен стал 4-6° на левый борт».
Капитан-лейтенант И.С.Орлов (объяснительная записка): «Затем я слышал команду командира: „Всплывать в надводное положение, продуть балласт“. Лодка всплыла в надводное положение. Из 6-го отсека поступил доклад от мичмана Колотилина (подвижного вахтенного кормовых отсеков): „Поступление гидравлики на левый турбогенератор, на турбину тоже, прошу разрешения переключиться в ИДА“. Затем никаких докладов больше не поступало несмотря на наши запросы».
Капитан-лейтенант Ю.Н.Парамонов (объяснительная записка): «В процессе всплытия боцман доложил, что не управляется вертикальный руль, а затем кормовые горизонтальные рули».

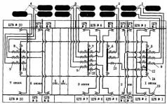
Структурная схема воздуха высокого давления (ВВД) и продувания цистерн главного балласта (ЦГБ):
подгруппы баллонов:
1 – перемычки ВВД № 1;
2 – перемычки ВВД № 2;
3 – перемычки ВВД № 3;
4 – перемычки ВВД № 4;
5 – перемычка ВВД № 1;
6 – перемычка ВВД № 2;
7 – перемычка ВВД № 3;
8 – перемычка ВВД № 4;
9 – подгрупповые клапаны ВВД;
10 – трубопровод соединения перемычек ВВД № 1 и № 2;
клапаны продувания:
11 – носовой группы ЦГБ;
12 – средней группы ЦГБ;
13 – кормовой группы ЦГБ;
14 – клапаны отключения перемычек ВВД от бортовых магистралей;
15 – бортовые клапаны продувания ЦГБ.
Что случилось в этот период? Попробуем разобраться. При продувании цистерн главного балласта воздух под высоким давлением – около 200 – 250 кгс/см2 – поступает в трубы, подходящие к каждой цистерне. При отсутствии какой-либо информации о пожаре в 7-м отсеке решение о продувании кормовой группы цистерн главного балласта было очередной серьезной ошибкой руководства подводной лодки, так как в момент продувания нагружались высоким давлением трубы, которые могли находиться в зоне пожара. Объективные данные говорят о том, что в момент начала продувания кормовых цистерн главного балласта произошел разрыв трубы аварийного продувания цистерны главного балласта № 10 левого борта, расположенной в 7-м отсеке. Практически весь воздух, предназначенный для продувания цистерны № 10, попал в 7-й отсек, что привело к перерастанию локального пожара в объемный. Давление в 7-м отсеке резко поднялось до 5 – 6 кгс/см2. Воздух с продуктами сгорания через уплотнения главного упорного подшипника и трубопровод слива масла поступил в цистерну циркуляционного масла главной машины, расположенную в 6-м отсеке.
Давление в цистерне циркуляционного масла поднялось, турбинное масло по сливным трубам пошло «обратным ходом» и струями ударило в отсек и на окружающее оборудование. До объемного пожара в 6-м отсеке оставались считанные секунды. В этот момент в центральный пост поступил последний доклад мичмана Колотилина.
На подводной лодке «Комсомолец» конструктивно не обеспечена герметизация 6-го и 7-го отсеков между собой при работающей линии вала и при аварийном давлении в 7-м отсеке. Представители ВМФ считают это конструктивным недостатком. О неправомерности такого утверждения подробно рассказано в п.2 главы «Конструктивные особенности» подводной лодки «Комсомолец». Здесь речь не об этом. Рассмотрим вариант сценария аварии подводной лодки для случая обеспечения герметизации 6-го и 7-го отсеков между собой при работающей линии вала и при аварийном давлении. Ориентировочные расчеты показывают, что после 11 часов 14 минут давление в 7-м отсеке возросло бы до 8-10 кгс/см2 и к 11 часам 20 минутам достигло бы 15-20 кгс/см2. Поперечная переборка между 6-м и 7-м отсеками, рассчитанная на давление 10 кгс/см2, была бы разрушена и пожар бы перекинулся в 6-й отсек. Не исключено, что ударной волной разрушило бы и переборку между 6-м и 5-м отсеками. Трудно предсказать, какие еще последствия вызвало бы разрушение переборки между 6-м и 7-м отсеками. Они могли быть самыми трагическими, вплоть до нарушения герметичности прочного корпуса и гибели подводной лодки еще до 12 часов. Таким образом, в обстановке невыполнения первичных мероприятий по борьбе за живучесть корабля, конструктивное необеспечение герметизации 6-го и 7-го отсеков между собой при работающей линии вала и при аварийном давлении оказалось, как это ни парадоксально, благом, которое позволило подводной лодке продержаться на плаву около шести часов.

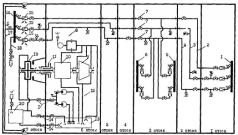
Схема поступления воздуха в аварийные отсеки:
1 – перемычка ВВД № 1;
2 – магистраль воздуха высокого давления 200 кгс/см2 (ВВД-200);
3 – магистраль воздуха забортных устройств (ВЗУ);
4 – магистраль воздуха среднего давления (ВСД);
5 – перемычка ВВД № 2;
6 – перемычка ВВД № 3;
7 – аварийные клапаны разобщения магистралей ВВД-200, ВЗУ и ВСД;
8 – узел очистки воздуха от паров масла;
9 – турбина ГТЗА;
10 – редуктор ГТЗА;
11 – переборочный сальник линии вала;
12 – узел масляной системы ГТЗА;
13 – цистерна циркуляционного масла ГТЗА;
14 – аварийные клапаны разобщения масляных трубопроводов;
15 – редукционные клапаны магистралей ВВД-200, ВЗУ и ВСД;
16 – перемычка ВВД № 4;
17 – трубопровод продувания цистерны главного балласта № 10;
18 – трубопровод подачи воздуха в отсек;
19 – упорный подшипник линии вала;
20 – цистерна аварийного сточного масла.
Рабочей группой правительственной комиссии были проведены расчеты и эксперименты по определению температурных условий, при которых могла разрушиться труба аварийного продувания цистерны главного балласта. Они показывают, что такое разрушение возможно при нагреве трубы до 650 – 700° С. Трудно себе представить, чтобы до такой температуры могла нагреться труба при пожаре в отсеке с ограниченным количеством воздуха и с нормальным содержанием в нем кислорода. Это возможно только в атмосфере с повышенным содержанием кислорода.
Капитан-лейтенант С.А.Дворов (магнитофонная запись опроса): «Проскочил 5-й и слышал, как за мной закрылась дверь. 5-й отсек был загерметизирован. Я побежал к кормовой переборке и начал открывать кремальеру между 5-м и 6-м отсеками, оттуда повалил черный клубами дым. Дверь была на защелке. Дверь закрыл и связался по громкоговорящей связи с центральным постом, тогда связь еще была».
25
Здесь и далее давления указаны в величинах технической системы единиц (МКГСС система единиц), так как все приборы измерения давления на подводной лодке «Комсомолец» были отградуированы по этой системе.