"Шпионские штучки" и устройства для защиты объектов и информации, стр. 22
Обе части устройства соединены экранированным проводом. Причем, отрицательное напряжение источника питания и сигнал звуковой частоты поступают по центральной жиле провода, а положительное напряжение поступает по оплетке.
В качестве микрофона M1 можно использовать любой электретный микрофон с усилителем. Транзистор VT1 типа КТ315 лучше заменить малошумящим транзистором КТ3102. Резисторы в схеме — типа МЛТ-0,125. В качестве источника питания используется аккумуляторная батарея на напряжение 6–9 В.
Настройка устройства заключается в установке режимов работы транзисторов VT1, VT2 путем подбора сопротивлений резисторов R2 и R4, соответственно. При этом ток коллектора каждого транзистора должен быть 0,1–0,2 мА.
Выносной микрофон с усилителем, обеспечивающим дальность передачи сигнала до 100 метров
Это устройство является улучшенным вариантом предыдущего. Оно позволяет предавать сигнал на расстояние до 100 м. Изменения в предлагаемой схеме касаются микрофонного блока. Схема устройства приведена на рис. 2.41.

Рис. 2.41. Выносной микрофон с усилителем
Транзистор VT1 типа КТ361, на базу которого через конденсатор С2 поступает сигнал с микрофона M1, вместе с резисторами R2-R4 образует однокаскадный микрофонный усилитель. Транзистор VT2 типа КТ315 является эмиттерным повторителем и выполняет функцию динамической нагрузки первого каскада. Ток, потребляемый микрофонным усилителем, не превышает 0,4–0,5 мА, так что его можно питать от источника питания усилителя звуковой частоты. Усилитель работоспособен в интервале питающих напряжений 3–9 В.
Резисторы устройства применяются типа МЛТ-0,125. Микрофон М1 — любой электретный микрофон со встроенным усилителем. Вместо транзисторов VT1 и VT2 можно использовать транзисторы типа КТ3107 и КТ3102 соответственно.
Настройка усилителя звуковой частоты состоит в установке путем подбора сопротивления резистора R3 возможно большего напряжения выходного сигнала.
Соединение микрофонного блока с основным выполняется экранированным проводом, но возможно использование и обычного провода или провода типа "лапша". При использовании длинного соединительного кабеля наблюдается ухудшение качества воспроизведения сигнала из-за больших наводок на проводах.
Выносной микрофон с питанием от трехпроводной симметричной линии связи
Как уже говорилось ранее, кабели, связывающие микрофон с основным усилителем звуковой частоты, очень часто становятся источником дополнительных шумов. Снижение уровня полезного сигнала, которое, как правило, происходит на соединительном кабеле большой длины, можно компенсировать усилителем звуковой частоты, но при этом одновременно будут усилены и шумы.
В отличие от приведенных выше схем, ниже описана схема устройства с передачей сигнала по симметричной линии. В этом случае шумы на уровне усиленного сигнала маскируются в большей степени.
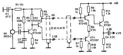
Принципиальная схема микрофонного усилителя приведена на рис. 2.42.

Рис. 2.42. Выносной микрофон с питанием от трехпроводной линии
Сигнал, снимаемый с микрофона M1 типа МКЭ-3, "Сосна", поступает на усилитель, собранный на транзисторе VT1. Коэффициент передачи каскада, выполненного на транзисторе VT1, приблизительно определяется соотношением сопротивлений резисторов R3 и R4. Сигнал, усиленный транзистором VT1, поступает на базу транзистора VT2. А так как фаза сигнала на коллекторе транзистора VT2 противоположна фазе сигнала на эмиттере, то и сигнал, поступающий в линию, тоже противофазный.
Входной каскад правой части схемы, собранный на транзисторах VT3. VT4, представляет собой сумматор со сдвигом фазы на 180°.
Таким образом, противофазный полезный сигнал складывается в фазе и на выходе образуется полезный сигнал с удвоенной амплитудой. А возникающие одинаковые по фазе шумы и помехи в каждом из проводов линии взаимно уничтожаются в сумматоре. Суммарный сигнал подается на базу транзистора VT5 типа КТ361. Этот каскад имеет коэффициент усиления 4. С нагрузки этого каскада, резистора R12, сигнал подается на оконечный усилитель звуковой частоты или магнитофон.
В устройстве используются резисторы типа МЛТ-0,125. Транзисторы VT1-VT3 могут быть типа КТ315 и КТ342. транзисторы VT4, VT5 — КТ361, КТ3107. В качестве микрофона M1 может быть использован любой элсктретный микрофон со встроенным усилителем.
Настройка усилителя заключается в подборе сопротивления резистора R7. При этом необходимо контролировать напряжения, указанные на принципиальной схеме.
Для подключения выносного микрофона необходим экранированный кабель с двумя внутренними жилами.
Микрофонный усилитель с дифференциальным входом
Такой недостаток, как питание выносного микрофона по трем проводам, можно устранить. Ниже приведена схема с двухпроводной соединительной линией, имеющая лучшие выходные характеристики, чем выше описанная. За основу взята схема, представленная на рис. 2.41.
В качестве предварительного усилителя используется дифференциальный операционный усилитель. Принципиальная схема устройства приведена на рис. 2.43.

Рис. 2.43. Выносной микрофон на операционном усилителе
Работа выносного микрофона (левая часть схемы) подробно изложена при описании работы схемы рис. 2.41. Остановимся на подробном описании правой части схемы. Основу правой части схемы представляет операционный усилитель DA1 типа КР1407УД2, включенный' по схеме дифференциального усилителя. Он представляет собой малошумящий операционный усилитель с малым током потребления.
Схема имеет коэффициент ослабления синфазных входных напряжении около 100 дБ. Это свойство и используется для подавления помех, наводимых в проводах и имеющих синфазный характер. Полезный сигнал и помеха снимаются с нагрузочных резисторов R6 к R7 и через конденсаторы СЗ и С4 поступают на инвертирующий и неинвертирующие входы микросхемы DA1 соответственно. Вследствие этого сигнал помехи ослабляется в микросхеме на 100 дБ. Полезный звуковой сигнал усиливается операционным усилителем в 10 раз. Коэффициент усиления сигнала можно изменять путем изменения сопротивления резисторов R8 и R9. Увеличение нх номиналов приводит к увеличению коэффициента усиления, определяемого как отношение R8/R4 (R9/R5). Сигнал, усиленный микросхемой, с выхода 6 через конденсатор С6 поступает на основной УЗЧ или магнитофон.
Резисторы R10, R11 и конденсатор C5 создают искусственную среднюю точку, в которой напряжение равно половине напряжения источника питания. Это обусловлено тем, что для питания устройства используется однополярное питание, а для нормальной работы операционного усилителя необходимо двухполярное питание. Резистор R13 устанавливает необходимый ток потребления микросхемы.
Микросхему DA1 можно заменить на КР140УД1208. Но возможно и применение любого другого операционного усилителя, включенного по типовой схеме со своими цепями коррекции. Резистор R13 в этом случае из схемы исключается.
При исправных деталях устройство начинает работать без дополнительных регулировок. Увеличить (уменьшить) усиление можно подбором сопротивлений R8 и R9.
Если левую часть схемы заменить схемой, приведенной на рис. 2.44, а из правой части убрать резисторы R6 и R7, то можно записывать на магнитофон телефонный разговор при снятой телефонной трубке.