Занимательная анатомия роботов, стр. 14


В 1917 году шведский химик Йене Берцелиус открыл новый химический элемент – селен. Было замечено, что в обычных условиях он проводит электрический ток очень плохо. Если включить в цепь (рис. 50) батареи и миллиамперметра пластину селена, то, пока свет не попадёт на неё, ток в цепи будет очень слабым, так как удельное сопротивление селена велико. Но стоит лишь осветить селеновую пластину, как сопротивление её резко уменьшается, а ток возрастает. Чем больше будет освещённость пластины, тем меньше её сопротивление и тем сильнее ток в цепи.
Научное объяснение фотосопротивления было дано много лет спустя после его открытия. Сделал это наш выдающийся соотечественник Александр Григорьевич Столетов.
В наше время любой юный техник без особого труда может сделать фототранзистор. Принцип действия фототранзистора основан на чувствительности к свету полупроводникового р – и перехода. Кванты света, падая на переход, высвобождают в нём электроны. Чем больше световой энергии попадает на полупроводник, тем больше высвобождается электронов. В результате появляется дополнительный электрический ток через эмиттерный переход, управляющий сопротивлением транзистора. Для изготовления фоторезистора необходим исправный транзистор МП40 или МП42 со статическим коэффициентом передачи тока h 2 i3 = 40… 100 и начальным током коллектора не более 20 мкА. Лобзиком осторожно спиливают крышку транзистора и тщательно удаляют с кристалла попавшие на него металлические опилки. Если эти операции выполнены аккуратно, транзистор не изменит параметров. Убедившись в этом, вы можете считать, что справились с изготовлением фоторезистора.
Окончательно проверяют работоспособность самодельного фоторезистора авометром (рис. 51). Эмит – терный вывод фототранзистора присоедините к тому зажиму прибора, который соединён с плюсовым полюсом внутренней батареи. Базовый вывод оставьте свободным.
Когда на фототранзистор не попадает свет (прикройте его плотной бумагой), авометр должен показывать сопротивление более 50 кОм.
Теперь поднесите к фототранзистору включённую настольную лампу так, чтобы ещё лучи падали на кристалл под прямым углом со стороны эмиттерного вывода. Стрелка омметра должна тут же отметить резкое уменьшение проходного сопротивления. На расстоянии 5… 10 см от лампы проходное сопротивление коллектор – эмиттер фототранзистора должно упасть до 100…200 Ом.
Поверните фототранзистор на 90° по отношению к его оси. Сопротивление увеличится в 5… 10 раз. О причине можно легко догадаться – лучи света стали теперь попадать только на часть кристалла. Уменьшилась поверхность облучения – уменьшилась и чувствительность фотоэлемента. Отсюда вывод: совершенно небезразлично, как устанавливать фототранзистор по отношению к лучу света. Если этого не учитывать, изготовленные вами фотореле будут работать ненадёжно. Конечно, самодельные фотоприёмники менее чувствительны и надёжны по сравнению с выпускаемыми промышленностью.

Моделирование светочувствительных устройств из радиокубиков. Из радиокубиков можно собрать несколько таких устройств и проанализировать их работу. Перечислим самые простые из них: фоторезистор в цепи постоянного тока: фотореле с усилителем на транзисторе: автомат включения освещения: автомат ночной сш нализации.
Фоторезистор в цепи постоянного тока – устройство, составленное из последовательно включённых фоторезистора ФСК – 1, измерительного прибора – миллиамперметра и источника питания, даёт возможность продемонстрировать свойство полупроводников (фоторезисторов) изменять сопротивление электрическому току под воздействием на них света.
При освещении фоторезистора светом сопротивление ею уменьшается, ток в цепи увеличивается, что отмечает миллиамперметр.
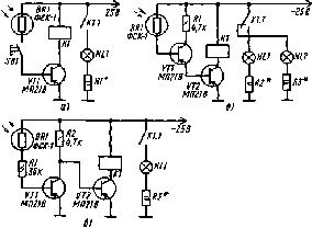
Фотореле с усилителем на одном транзисторе (рис. 52, а). Простая схема фотореле может быть применена при построении системы, управляемой светом. Фотореле выполнено на транзисторе VT1, который играет роль усилителя постоянного тока. Нагрузкой служит обмотка электромагнитного реле К1. При нажатии на кнопку SB1 реле не срабатывает, если фоторезистор затемнён. Если на фоторезистор направить свет, то его сопротивление уменьшится, транзистор откроется и реле сработает. Сопротивление токоограничительного резистора R1 зависит от параметров выбранной лампы.
Фотореле с усилителем на двух транзисторах (рис. 52, б) содержит двухступенный усилитель постоянного тока. Нагрузкой транзистора VT2 является обмотка реле. Это фотореле более чувствительно к малым световым потокам.
Чувствительное фоторел e с усилителем на транзисторах (рис. 52. в) собрано на двух транзисторах, которые работают в усилителе постоянного тока. Фотореле чувствительно к малым световым сигналам.

Автомат включения освещения (рис. 53) позволяет автоматически включать освещение при наступлении темноты. Исполнительное устройство подключают к контактам реле.
Автомат ночной сигнализации (рис. 54) представляет собой генератор световых сигнальных импульсов. Он начинает работать только при наступлении темноты или при затемнении фоторезистора. Длительность сигналов можно изменять подборкой конденсатора в пределах 5… 100 мкФ.


Некоторые из рассмотренных устройств можно использовать в роботе, в его светочувствительном блоке.
Здравствуй, микроэлектроника!
Современная микроэлектронная техника позволяет создать малогабаритные и высокочувствительные системы зрения самого различного назначения.
На рис. 55 приведена принципиальная схема фотореле с цифровым логическим элементом. Датчиком служит фотодиод BD1, который подключён непосредственно к входам элемента DD1.1 (К155ЛБЗ).
Когда фотодиод освещён, его сопротивление мало и напряжение на выходе инвертора DD1.1 близко к нулю. На выходе элемента – высокий уровень, который закрывает транзистор VT1. Реле К1 отключается.
Стоит прервать световой поток, как сопротивление фотодиода увеличится, транзистор откроется, реле включится.
Порядок работы фотореле можно изменить – заставить реле срабатывать при освещении. Для этого вместо одного следует включить последовательно два инвертора.

Микроэлектронная система обнаружения пламени. В условиях современных роботизированных цехов особое значение имеют системы предупреждения о пожарной опасности. Ими можно оснастить самих роботов. Применение для обнаружения пламени темпера – турно – световых датчиков в ряде случаев оказывается нецелесообразным, так как они срабатывают не только при возникновении или исчезновении пламени, но и по разным другим причинам, например при случайном увеличении освещённости, повышении температуры. Поэтому при использовании таких датчиков необходимо принимать зачастую очень сложные меры, чтобы исключить ложные срабатывания. Очевидно, что для чёткого обнаружения пламени необходимы датчики, действие которых основано на изменении факторов, непосредственно характеризующих пламя.