Стратегическое управление, стр. 62
Это не означает, что главные управляющие могут руководить хозяйственной деятельностью, в которой они не разбираются. Но это всё же означает, что в быстро меняющейся обстановке способность управляющего предвидеть и вовремя реагировать на нестабильность условий становится гораздо важнее, чем глубокое знание факторов прошлой успешной деятельности. Действительно, чрезмерные оглядки на то, «как мы славно делали свои дела», будут не способствовать, а мешать поиску реакции на новые условия (см гл. 61). Это, например, означает, что высший руководитель может действовать более эффективно в совершенно незнакомой ему отрасли (которая в такой же степени подвержена изменениям, как и его собственная отрасль), чем в своей отрасли, особенно если перемены значительные.
Положения 1 и 2 (3.2.7) могут служить диагностическим инструментом для определения внешней стратегической активности и соответствующих внутренних действий, чтобы обеспечить успех фирмы в СЗХ.
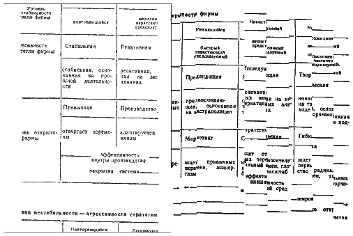
Попробуем построить шкалу зависимости трёхкомпонентных групп в уровень будущих изменений в СЗХ фирмы, стратегическая активность, оптимизирующая потенциал фирмы; внутренние ресурсы, которые обеспечат реализацию потенциала.
В табл. 3.4.1 трёхкомпонентные группы представлены на трёх уровнях в пяти аспектах Для удобства каждому уровню дано описательное название. Так, например, повторяющиеся условия, стабильная активность, обычные ресурсы и составляют трёхкомпонентную группу.
Таблица содержит описание каждого уровня. Читатель узнаёт шкалу, впервые представленную в табл. 1.2.2, где уровень изменчивости определяется двумя факторами.
1. До какой степени будущие изменения независимы, то есть не связаны с прошлыми).
2. Предсказуемость изменений.
В табл. 3.4.1 средняя часть представляет соответствующие уровни агрессивности стратегии фирмы Они даны в категориях не связанности данной стратегической линии с прошлой.
Описаны уровни той области, откуда выбраны альтернативы, а именно а) прецеденты прошлой деятельности, б) экстраполированный опыт; в) знакомые альтернативы; г) неизвестные альтернативы.
Агрессивность стратегии определяется концепцией выбора места среди конкурентов, о чём уже говорилось в гл. 2.2. Напомним, что конкурентоспособная стратегия, предусматривающая быстрый рост, дифференциацию продукции, дифференциацию рынка и распределение капиталовложений, задаёт и определённый подход, благодаря которому фирма надеется преуспеть в своей СЗХ. Агрессивность стратегии в свою очередь описывает класс конкурентных стратегий, имеющих одну и ту же активность поведения. В табл. 3.4.1 эти классы описываются словами стабильность, реактивная, предвидящая, исследующая, творческая (на языке математиков агрессивность стратегии могла бы быть названа метастратегией, стратегией более высокого уровня, которая управляет выбором стратегии более низкого уровня).
Таблица 3.4.1

На каждом уровне перемен все успешные конкурентные стратегии основаны на активности одинаковой степени. Фирмы, выходящие на рынок с уровнем активности ниже, чем требуется для успеха — неудачники, которые в лучшем случае будут сводить концы с концами, как бы подробно они ни разработали свою конкурентную стратегию Чрезмерно активные фирмы — по всей вероятности, будущие «мёртвые герои», которые преждевременно отреагировали на предстоящие изменения условий деятельности.
История пестрит «мёртвыми героями» Вот один пример, сейчас почти забытый, — Г. Кайзер, который внедрил 20 лет назад, явно преждевременно, очень популярный сейчас микро-автомобиль. «Генри Джей», как назывался этот миникар, был снят с производства после безнадёжной реакции рынка на него.
Нижняя, часть табл. 3.4.1 иллюстрирует третий компонент группы, открытость системы Её определяют три взаимодополняющих критерия:
а) восприимчивость фирмы к изменениям в диапазоне от полного отрицания до самостоятельного проведения изменений;
б) стремление к экономичности — внутренней эффективности (в терминологии Р. Акоффа) зависит от производственных и вспомогательных возможностей Эти возможности можно распределять по-разному, сосредоточивая энергию фирмы, например, на внутренних операциях В другом случае гибкий стратегический потенциал нацелен на достижение экономической эффективности в широком смысле, т. е. на обеспечение прибыльности фирмы в будущем;
в) в категориях теории систем уровень потенциала находится в диапазоне между закрытой системой, которая индифферентна к окружению, и полностью открытой системой, высокочувствительной к стимулам внешнего окружения В табл. 3.4.1 представлена шкала, которая охватывает весь диапазон поведения фирм и других организаций, обслуживающих общество. Например, левая колонка (повторяющийся, стабильная, привычная) описывает типичную бюрократическую организацию, а правая колонка (неожиданный, творческая, гибкая) характеризует фирму творческую, такую, как «Ксерокс» или «Поляроид» в период роста. (Другие учёные, изучавшие стратегическое поведение фирм, например Акофф и Минцберг, совершенно независимо пришли к аналогичной шкале).
Аналогично тому, как агрессивность стратегии является метастратегией по отношению к конкурентной стратегии, открытость потенциала является мета потенциалом по отношению к конкретному функциональному потенциалу, как сказано в гл. 2.2. Функциональный потенциал составляют конкретные функции маркетинга, производства, НИОКР и т. д., знания и навыки, в которых нуждается фирма, чтобы быть в состоянии проводить конкурентную стратегию. Открытость — это тип организационной реакции (см. гл. 3.3. и 4.3), которая требуется фирме для поддержания своей стратегической активности.
В своих последующих рассуждениях мы будем называть такое сочетание стратегической активности и открытости стратегической позицией фирмы (для сравнения см. гл. 2.2, где дано определение конкурентного статуса фирмы).
Из табл. 3.4.1 стратегическую позицию фирмы можно вывести следующим образом:
1. Используя верхнюю часть таблицы, определите будущий уровень изменений внешнего окружения в СЗХ фирмы.
2. Определите желательную стратегическую активность и возможности (см. ниже уровня нестабильности среды).
3. Используйте среднюю часть таблицы для определения действительного уровня агрессивности стратегии фирмы.
4. Определите стратегический разрыв между желательным и Действительным уровнями агрессивности (разницу между этапом 3 и этапом 2). Если новая метастратегия отличается от той, которая существует, потребуется серьёзный пересмотр конкурентной стратегии фирмы в зоне её деятельности с помощью процедур, описанных в гл. 2.2.
5. Используя нижнюю часть таблицы, определите сегодняшние возможности общего руководства.
6. Определите разрыв между желательными и существующими возможностями. Если разрыв велик, необходимо будет внести серьёзные изменения в профиль возможностей фирмы. В последующих параграфах мы дадим описание этой процедуры.
3.4.2. Диагностика изменчивости условий
В практических целях необходимо выделить два взаимодополняющих аспекта изменений в СЗХ фирмы: изменчивость маркетинга, измеряемая ожидаемой интенсивностью этой функции, и изменчивость инноваций, измеряемая интенсивностью научно-технических изменений в продукции и технологии.
Причина различия этих двух аспектов заключается в том, что их характеристики не обязательно совпадают. Например, в период с 1930 по 1950 г. в автомобильной промышленности США динамика маркетинга отличалась скачкообразностью и непредвиденностью, а динамика научно-технического прогресса колебалась между расширением и изменением. В этот же период в некоторых технологически интенсивных СЗХ степень изменчивости инноваций была высокой, а изменчивость маркетинга — низкой. Табл. 3.4.2 и 3.4.3 могут служить для определения этих двух аспектов изменчивости.