Крушение власти и армии. (Февраль – сентябрь 1917 г.), стр. 8
Каков народ, такова и армия. И, как бы то ни было, старая русская армия, страдая пороками русского народа, вместе с тем в своей преобладающей массе обладала его достоинствами и прежде всего необычайным долготерпением в перенесении ужасов войны; дралась безропотно почти 3 года; часто шла с голыми руками против убийственной высокой техники врагов, проявляя высокое мужество и самоотвержение; и своей обильной кровью [10] искупала грехи верховной власти, правительства, народа и свои.
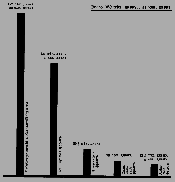
Наши союзники не смеют забывать ни на минуту, что к середине января 1917 года эта армия удерживала на своем фронте 187 вражеских дивизий, т. е., 49 % всех сил противника, действовавших на европейских и азиатских фронтах. Старая русская армия заключала в себе достаточно еще сил, чтобы продолжать войну и одержать победу.

Диаграмма распределения сил противника на всех фронтах к половине января 1917 г.
Глава III
Старая армия и государь
В августе 1915 года государь, под влиянием кругов императрицы и Распутина, решил принять на себя верховное командование армией. Этому предшествовали безрезультатные представления восьми министров и некоторых политических деятелей, предостерегавших государя от опасного шага. Официальными мотивами выставлялись с одной стороны трудность совмещения работы управления и командования, с другой – риск брать на себя ответственность за армию в тяжкий период ее неудач и отступления. Но истинной побудительной причиной этих представлений был страх, что отсутствие знаний и опыта у нового Верховного главнокомандующего осложнит и без того трудное положение армии, а немецко-распутинское окружение, вызвавшее паралич правительства и разрыв его с Государственной Думой и страной, поведет к разложению армии.
Ходила, между прочим, молва, впоследствии оправдавшаяся, что решение государя вызвано отчасти и боязнью кругов императрицы перед все более возраставшей, невзирая на неудачи армии, популярностью великого князя Николая Николаевича…
23 августа армии и флоту был отдан приказ, в котором после официального текста государь собственноручно приписал:

(Факсимиле письма Романова)
С твердою верою в милость Божию и с непоколебимою уверенностью в конечной победе будем исполнять наш святой долг защиты Родины до конца и не посрамим земли Русской.
Николай.
Этот значительный по существу акт не произвел в армии большого впечатления. Генералитет и офицерство отдавало себе ясный отчет в том, что личное участие государя в командовании будет лишь внешнее, и потому всех интересовал более вопрос:
– Кто будет начальником штаба?
Назначение генерала Алексеева успокоило офицерство.
Что касается солдатской массы, то она не вникала в технику управления, для нее царь и раньше был верховным вождем армии и ее смущало несколько одно лишь обстоятельство: издавна в народе укоренилось убеждение, что царь несчастлив…
Фактически в командование вооруженными силами России вступил генерал Михаил Васильевич Алексеев. На фоне русской военной истории и русской смуты фигура генерала Алексеева занимает такое большое место, что нельзя в кратких словах очертить его значение. Для этого необходимо специальное историческое исследование жизненного пути человека, вызвавшего различное отношение – и положительное, и отрицательное – к своей военной и политической деятельности, но никогда не давшего повода сомневаться в том, что «крестный путь его озарен кристаллической честностью и горячей любовью к Родине – и великой, и растоптанной»… [11]
Не всегда достаточно твердый в проведении своих требований, в вопросе о независимости Ставки от сторонних влияний Алексеев проявил гражданское мужество, которого так не хватало жадно державшимся за власть сановникам старого режима.
Однажды, после официального обеда в Могилеве, императрица взяла под руку Алексеева и, гуляя с ним по саду, завела разговор о Распутине.
Несколько волнуясь, она горячо убеждала Михаила Васильевича, что он не прав в своих отношениях к Распутину, что «старец – чудный и святой человек», что на него клевещут, что он горячо привязан к их семье, а главное, что его посещение Ставки принесет счастье…
Алексеев сухо ответил, что для него это вопрос – давно решенный. И что, если Распутин появится в Ставке, он немедленно оставит пост начальника штаба.
– Это ваше окончательное решение?
– Да, несомненно.
Императрица резко оборвала разговор и ушла, не простившись с Алексеевым.
Этот разговор, по словам Михаила Васильевича, повлиял на ухудшение отношений к нему государя. Вопреки установившемуся мнению, отношения эти, по внешним проявлениям не оставлявшие желать ничего лучшего, не носили характера ни интимной близости, ни дружбы, ни даже исключительного доверия.
Государь никого не любил, разве только сына. В этом был трагизм его жизни – человека и правителя.
Несколько раз, когда Михаил Васильевич, удрученный нараставшим народным неудовольствием против режима и трона, пытался выйти из рамок военного доклада и представить царю истинное освещение событий, когда касался вопроса о Распутине и об ответственном министерстве, он встречал хорошо знакомый многим непроницаемый взгляд и сухой ответ.
– Я это знаю.
Больше ни слова.
Но в вопросах управления армией государь всецело доверялся Алексееву, выслушивая долгие, слишком, быть может, обстоятельные доклады его. Выслушивал терпеливо и внимательно, хотя, по-видимому, эта область не захватывала его. Некоторое расхождение случалось лишь в вопросах второстепенных – о назначениях приближенных, о создании им должностей и т. п.
Полное безучастие государя в вопросах высшей стратегии определилось для меня совершенно ясно после прочтения одного важного акта – записи суждений военного совета, собранного в Ставке в конце 1916 г. под председательством государя из всех главнокомандующих и высших чинов Ставки, для обсуждения плана кампании 1917 года и общего наступления.
Подробная запись каждой произнесенной фразы создавала впечатление о властности и руководящей роли временного заместителя начальника штаба – генерала Гурко, о несколько эгоистических устремлениях главнокомандующих, пригонявших стратегические аксиомы к специальным интересам своего фронта и, наконец… о полном безучастии Верховного главнокомандующего.
Такие же взаимоотношения между государем и начальником штаба существовали во время исполнения последней должности генералом Гурко. Алексеев осенью 1916 г. тяжко заболел и лечился в Севастополе, не прекращая, однако, связи со Ставкой, с которой он сносился по прямому проводу.
Между тем, борьба Государственной Думы (прогрессивного блока) с правительством, находившая несомненно сочувствие у Алексеева и у командного состава, принимала все более резкие формы. Запрещенный для печати отчет о заседании 1-го ноября 1916-го г., [12] с историческими речами Шульгина, Милюкова и др. в рукописном виде распространен был повсеместно в армии. Настроение настолько созрело, что подобные рукописи не таились уже под спудом, а читались и резко обсуждались в офицерских собраниях.
– Я был крайне поражен, – говорил мне один видный социалист и деятель городского союза, побывав впервые в армии в 1916 г. – с какой свободой всюду, в воинских частях, в офицерских собраниях, в присутствии командиров, в штабах и т. д. говорят о негодности правительства, о придворной грязи. Это в нашей стране – «слова и дела»!.. Вначале мне казалось, что меня просто провоцируют…
Связь Думы с офицерством существовала давно. Работа комиссии государственной обороны в период воссоздания флота и реорганизации армии после японской войны протекала при деятельном негласном участии офицерской молодежи. А. И. Гучков образовал кружок, в состав которого вошли Савич, Крупенский, граф Бобринский и представители офицерства, во главе с генералом Гурко. По-видимому к кружку примыкал и генерал Поливанов, сыгравший впоследствии такую крупную роль в развале армии (Поливановская комиссия). Там не было ни малейшего стремления к «потрясению основ», а лишь желание подтолкнуть тяжелый бюрократический воз, дать импульс работе и инициативу инертным военным управлениям.