Большая Советская Энциклопедия (ПА), стр. 205
С. М. Лосев.

Рис. 2. Схематический разрез активной турбины с двумя ступенями скорости: 1 — вал; 2 — диск; 3 — первый ряд рабочих лопаток; 4 — сопло; 5 — корпус; 6 — второй ряд рабочих лопаток; 7 — направляющие лопатки.

Рис. 4. Двухкорпусная паровая турбина (со снятыми крышками): 1 — корпус высокого давления; 2 — лабиринтовое уплотнение; 3 — колесо Кертиса; 4 — ротор высокого давления; 5 — соединительная муфта; 6 — ротор низкого давления; 7 — корпус низкого давления.

Рис. 3. Схематический разрез небольшой реактивной турбины: 1 — кольцевая камера свежего пара; 2 — разгрузочный поршень; 3 — соединительный паропровод; 4 — барабан ротора; 5, 8 — рабочие лопатки; 6, 9 — направляющие лопатки; 7 — корпус.

Рис. 1. Схематический продольный разрез активной турбины с тремя ступенями давления: 1 — кольцевая камера свежего пара; 2 — сопла первой ступени; 3 — рабочие лопатки первой ступени; 4 — сопла второй ступени; 5 — рабочие лопатки второй ступени; 6 — сопла третьей ступени; 7 — рабочие лопатки третьей ступени.
Пароводяная смесь
Пароводяна'я смесь, смесь пара и воды, образующаяся при пузырчатом кипении воды в паровых котлах (кипятильных трубах или топочных экранах), а также в испарителях и др. теплообменных аппаратах. Плотность П. с. ниже плотности воды, что обеспечивает в котлоагрегатах естественную циркуляцию.
Паровое отопление
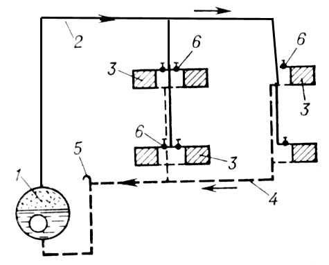
Парово'е отопле'ние, вид центрального отопления, при котором теплоносителем служит пар, поступающий в систему отопления от сети централизованного теплоснабжения или от парового котла, находящегося в отапливаемом здании или рядом с ним. В зависимости от значения начального давления пара различают системы П. о.: вакуум-паровые — с давлением менее 100 кн/м 2 (1 кгс/см2 ), низкого давления (от 100 до 170 кн/м 2 ) и высокого давления (от 170 до 600 кн/м2 ). Наиболее распространены системы низкого давления (рис. ).
В П. о. используется свойство пара при его конденсации в отопительных приборах выделять скрытую теплоту конденсации; образующийся при этом конденсат (вода) по конденсатопроводу возвращается в паровой котёл или в сеть централизованного теплоснабжения.
В зависимости от расположения паропроводов относительно отопительных приборов и способа их присоединения различают системы П. о. с верхней и нижней разводкой, а также двухтрубные и однотрубные (по аналогии с водяным отоплением ). Для обеспечения самотёчного движения конденсата, в том числе образующегося вследствие охлаждения паропровода (попутного конденсата), опорожнения системы и удаления из неё воздуха все трубопроводы прокладываются с необходимым уклоном.
П. о., широко применявшееся до 30—40-х гг. 20 в. (особенно в промышленных зданиях). в современном строительстве вытесняется водяным и воздушным отоплением , преимущество которых перед П. о. состоит в том, что в них легко регулируется подача тепла в помещения в зависимости от температуры наружного воздуха посредством изменения температуры теплоносителя. В П. о. регулирование подачи тепла обычно производится периодическим выключением системы отопления или её части. Это осложняет эксплуатацию П. о. и приводит к неравномерности распределения температуры в помещениях. Кроме того, действие П. о. нередко сопровождается шумом (в частности, при заполнении холодной системы паром), а чрезмерно высокая температура теплоотдающей поверхности отопительных приборов при работе П. о. ухудшает его санитарно-гигиенические качества. Поэтому устройство П. о. по действующим в СССР нормам не допускается в жилых домах, детских учреждениях, больницах, учебных заведениях и административных зданиях.
Применение П. о. возможно в промышленных зданиях, снабжаемых паром для технологических нужд, а также при использовании отработавшего пара. Устройство П. о. целесообразно также в помещениях, режим эксплуатации которых требует быстрого нагрева отопительных приборов и их остывания после выключения, чем П. о. выгодно отличается от водяного отопления, особенно если отопительные приборы (например, радиаторы ) имеют увеличенную ёмкость.
И. Ф. Ливчак.

Система парового отопления низкого давления с верхней разводкой и самотёчным возвратом конденсата в котёл (двухтрубная): 1 — паровой котёл; 2 — паропровод; 3 — отопительные приборы; 4 — конденсатопровод; 5 — воздушник; 6 — регулировочные краны.
Паровоз
Парово'з, один из видов локомотива , у которого двигателем является паровая машина. Основные элементы П.: паровой котёл , паровая машина , экипажная часть. Запасы топлива, воды и смазки помещаются обычно в прицепленном к П. тендере; если эти запасы находятся на самом П., то такой локомотив называется танк-паровозом. В результате сгорания в топке котла топлива (каменный уголь, мазут, горючие сланцы, торф, дрова и др.) тепло через стенки топки, жаровых и дымогарных труб передаётся котловой воде, которая превращается в пар. Для повышения экономичности П. в специальных установках пар перегревается и его температура значительно повышается. Паровая машина преобразует тепловую энергию в механическую энергию движения поршня в паровых цилиндрах, через шатунно-кривошипный механизм это движение передаётся движущим колёсам. К экипажной части П. относятся рама, колёсные пары с буксами , бегунковые и поддерживающие тележки (с одной или двумя колёсными парами), рессорное подвешивание, а также аппараты сцепления.
Первые П. (рис. 1 ) были созданы в Великобритании в 1803 (Р. Тревитик ) и в 1814 (Дж. Стефенсон ). В России первый оригинальный П. (рис. 2 ) был построен Е. А. и М. Е. Черепановыми (1833). Свыше столетия П. были самым распространённым видом тяги вплоть до 50-х гг. 20 в. (рис. 3), когда их повсеместно стали заменять электровозы и тепловозы . С 1956 выпуск П. в СССР был прекращен, хотя они ещё эксплуатируются на некоторых малодеятельных линиях железных дорог и на промышленных предприятиях. Основная причина замены П. др. видами локомотивов — его низкая экономичность: кпд лучших моделей не превышал 9%, среднеэксплуатационный кпд 4%.

Рис. 3а. Паровоз типа 0—3—0 серии Гв Петербурго-Московской железной дороги (60-е гг. 19 в.).

Рис. 1. Паровоз «Ракета» Стефенсона.

Рис. 3б. Паровоз типа 1—5—0 серии Л (40-е гг. 20 в., СССР).

Рис. 2. Паровоз Е. А. и М. Е. Черепановых.