Большая Советская Энциклопедия (КО), стр. 422
Контактные напряжения
Конта'ктные напряже'ния, напряжения, которые возникают при механических взаимодействии твёрдых деформируемых тел на площадках их соприкасания и вблизи этих площадок (например, при сжатии соприкасающихся тел). Знание К. н. важно для расчёта на прочность подшипников, зубчатых и червячных передач, шариковых и цилиндрических катков, кулачковых механизмов и т. п.
К. н. быстро убывают при достаточном удалении от места контакта (соприкасания тел). Распределение К. н. по площадке контакта и в её окрестности неравномерно и характеризуется большими градиентами, причём максимальные касательные напряжения tmax , которые в значительной мере предопределяют прочность сжимаемых тел (например, при сжатии шаров или пересекающихся цилиндров), имеют место на некоторой глубине (точка А ) под площадкой контакта. Вблизи самой этой площадки напряжённое состояние близко к гидростатическому сжатию, при котором, как известно, касательные напряжения отсутствуют.

Распределение напряжений при сжатии сферических тел: Р — сжимающая сила; R1 и R2 — радиусы шаров; p — максимальное напряжение в центре площадки контакта S; p — напряжение на расстоянии r от центра этой площадки; А — точка, в которой напряжение максимально.
Контактный метаморфизм
Конта'ктный метаморфи'зм, изменение горных пород под воздействием внедрившихся в них интрузивных магматических тел. Наиболее интенсивное изменение наблюдается вблизи интрузивного тела, при удалении от него степень изменения уменьшается. К. м. могут подвергаться как осадочные, так и магматические породы, при этом меняются их первоначальный минералогический состав и структура. В результате К. м. образуются различные контактные роговики и др. породы роговиковой фации. См. также Метаморфизм горных пород .
Контактный провод
Конта'ктный прово'д, троллейный провод, гибкий провод контактной сети , предназначенный для осуществления скользящего контакта с движущимся токосъёмником. К. п. имеет сплошное сечение с двумя боковыми продольными пазами в верхней части поперечного сечения, служащими для захвата провода подвесной арматурой. К. п. выполняют обычно круглого, реже овального сечения с уменьшением по высоте. Материалом для К. п. служит медь, иногда с присадками, увеличивающими прочность. Для снижения износа контактной поверхности применяют также биметаллические К. п. — медные или алюминиевые со стальной вставкой.
Контактный рельс
Конта'ктный рельс, жёсткий контактный провод , предназначенный для осуществления скользящего контакта с токоприёмником подвижного состава (электровоза, моторного вагона); выполняется из мягкой стали и имеет форму и поперечные размеры, сходные с формой и размерами обычных рельсов. К. р. прикрепляется изоляторами к кронштейнам, которые находятся на шпалах ходовых рельсов. К. р. обеспечивает надёжное токоснимание при контакте с токоприёмниками моторных вагонов или электровозов, прикрепленными к ходовым частям их тележек. При этом исключаются колебание токоприёмников и отрыв их от К. р., а следовательно, разрыв цепи тока, искрение и дугообразование, разрушающие контактные поверхности. К. р. применяется главным образом на подземных ж. д., метрополитенах, реже на открытых линиях при относительно невысоком напряжении (не более 1500 в ).
Контактовые месторождения
Конта'ктовые месторожде'ния, контактные месторождения, залежи полезных ископаемых, образовавшиеся в земной коре у границы соприкосновения (на контакте) горячих магматических пород с вмещающими их породами. См. Скарны .
Контактомер
Контактоме'р, прибор для измерения контактной линии широких цилиндрических косозубых зубчатых колёс, имеющих эвольвентный профиль (см. Зубчатая передача ). Контактная линия находится на пересечении боковой поверхности зуба плоскостью, касательной к основной окружности. Контактная линия характеризуется формой (прямолинейностью) и расположением относительно оси зубчатого колеса (углом наклона). Различают К. универсальные — для проверки направления и прямолинейности контактной линии; К., предназначенные только для проверки прямолинейности; К., которыми определяют только направление. Основные узлы К.: узел базирования колеса или К., узел настройки на положение контактной линии, измерительный механизм (с ощупывающим наконечником) и записывающее или отсчётное устройство. Наконечник К., проходя по всем точкам контактной линии, определяет её отклонения, которые регистрируются записывающим или показывающим устройством.
Контактор
Конта'ктор электромагнитный, электрический аппарат, предназначенный для частых включений и выключений (до 1500 переключений в час) электрических силовых цепей постоянного и переменного тока. Широко применяется для дистанционного управления электрическими машинами и аппаратами в установках постоянного и переменного тока при напряжениях до 500—650 в и силе тока до 600 а.
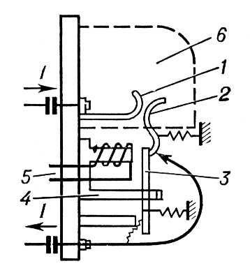
По числу пар контактов, включаемых в силовую цепь, различают одно- и многополюсные К. Однополюсный К. (рис . ) содержит пару контактов — неподвижный 1 и подвижный 2. Подвижный контакт укреплен на якоре 3 электромагнита (втягивающая катушка 5 — на сердечнике 4 ). При подаче управляющего тока в катушку 5 якорь 3 притягивается к сердечнику 4 и контакты 1 и 2 замыкаются. К., как правило, снабжаются дугогасительной системой 6 для гашения электрической дуги, возникающей при размыкании контактов (разрыве электрической цепи с током I ). Включение К. производится нажатием кнопки управления, установленной в цепи питания втягивающей катушки (на рис. не показана). Различают К. с замыкающими (нормально разомкнутыми) и размыкающими (нормально замкнутыми) контактами.
Втягивающая катушка потребляет ток весьма незначительный по сравнению с током в коммутируемой цепи. К. бывают с втягивающей катушкой постоянного тока и контактной системой для включения и выключения постоянного тока и с втягивающей катушкой переменного тока и контактной системой для переменного тока. Изготовляются также К. с контактной системой для переменного тока и втягивающей катушкой постоянного тока. В ряде конструкций К. контакты во включенном положении удерживаются защёлкой. Блок-контакты , конструктивно связанные с защёлкой, автоматически отключают питание втягивающей катушки при замыкании основных контактов. В этом случае включенное положение К. не зависит от того, включено или нет питание втягивающей катушки. Для размыкания контактов в подобном К. используется отдельная отключающая катушка. К. допускают несколько миллионов включений-выключений. Их выпускают в качестве автономных, самостоятельно устанавливаемых устройств, а также встроенными в магнитные пускатели и в рабочие машины и установки.
Лит.: Бабиков М. А., Электрические аппараты, ч. 2, М.— Л, 1956; Чунихин А. А., Электрические аппараты, М., 1967.
В. К. Иванов.
