Большая Советская Энциклопедия (КО), стр. 309
Рис. 2. Ротационный пластинчатый компрессор: 1 — отверстие для всасывания воздуха; 2 — ротор; 3 — пластина; 4 — корпус; 5 — холодильник; 6 и 7 — трубы для отвода и подвода охлаждающей воды.
Компрессорная добыча нефти
Компре'ссорная добы'ча не'фти, способ подъёма нефти из пласта на поверхность за счёт энергии сжатого природного газа или воздуха, подаваемого от компрессора в скважину. Отсюда название способа. Установка для осуществления этого способа называется газлифт (при воздухе — эрлифт). Принцип разгазирования столба жидкости для её подъёма на поверхность впервые был использован в Венгрии в 18 в. для откачки эрлифтом воды из обводнённых шахт. В 60-е гг. 19 в. компрессорная эрлифтная нефтедобыча применялась в небольших масштабах на нефтепромыслах Пенсильвании (США). Впервые промышленное применение в больших масштабах К. д. н. получила в 1894 на бакинских промыслах, по предложению В. Г. Шухова.
Основные разновидности газлифта (эрлифта) — непрерывный и периодический. При непрерывном газлифте поступление жидкости из пласта, её движение по подъёмной колонне и выход на поверхность — постоянный по времени процесс. В этом случае работа газлифта основана на уменьшении плотности поднимаемого столба смеси. Для того чтобы обеспечить приток нефти из пласта, надо поддерживать на забое скважины определенное давление. При отсутствии газа столб жидкости, уравновешивающий это давление, не достигает устья скважины; разгазирование столба жидкости повышает уровень до устья и вызывает непрерывную подачу продукции из пласта на поверхность с сохранением требуемого давления на забое.
К. д. н. осуществляется по двум системам непрерывного газлифта — кольцевой и центральной. Ввод газа в подъёмную колонну производится через рабочий газлифтный клапан.
При периодическом газлифте процесс добычи состоит из периода накопления жидкости в подъемной колонне (приток из пласта) и периода подачи накопленной жидкости на поверхность за счет поступления сжатого газа в нижнюю часть подъемной колонны. Время накопления и время подачи составляют цикл работы скважины. Применяются две системы газлифта: периодический газлифт с обычной подъёмной колонной труб, в которой попеременно происходит как накопление столба жидкости, так и её подъём и выброс на поверхность, и периодический газлифт с камерой замещения. Камера замещения, диаметр которой больше, чем диаметр подъемных труб, позволяет эксплуатировать скважины при низком давлении в пласте, когда накопленный столб жидкости в подъемной колонне не может иметь значительной высоты. Работа установки, обслуживающей группу скважин, осуществляется по замкнутому циклу. Газожидкостная смесь, поступающая из скважин на поверхность, разделяется в ёмкостях (трапах) на жидкость и газ. Часть газа, требующаяся для подачи в скважину, направляется на приём компрессоров, а избыток газа (газ, поступающий вместе с нефтью из пласта) — к пунктам переработки и потребления. Газ, поступивший в компрессор, после сжатия направляется в скважины для подъема жидкости на поверхность. Таким образом, газ циркулирует в замкнутой системе. Если на нефтяном промысле имеется возможность получить сжатый газ из близкорасположенных нефтяных или газовых скважин, газлифт осуществляется путем подачи газа высокого давления из этих скважин. После совершения работы по подъему жидкости отработанный газ в смеси с добытым (пластовым) газом направляется на переработку и использование. Такой способ эксплуатации называется бескомпрессорным.
В СССР К. д. н. в больших масштабах применяется на промыслах Азербайджанской ССР; бескомпрессорный способ находит применение на промыслах Краснодарского края, полуострова Мангышлак, о. Сахалин и др.
Основные преимущества К. д. н. по сравнению с другими способами механизированной добычи нефти: отсутствие движущихся деталей в скважинном оборудовании; высокая эффективность процесса при значительном газовом факторе; простота управления процессом добычи и его автоматизации.
Лит.: Муравьев И. М., Крылов А. П., Эксплуатация нефтяных месторождений, М. — Л., 1949; Иоаким Г., Добыча нефти и газа, пер. с рум., М,, 1966.
А. А. Брискман.

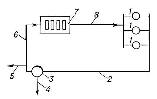
Рис. 3. Круговой газлифтный цикл группы скважин (схема): 1 — газлифтные скважины; 2 — трубопроводы смеси жидкости и газа, поступающей из скважины; 3 — ёмкость (трап) для разделения жидкости и газа; 4 — нефтяная линия; 5 — линия избыточного газа, направляемого на переработку и потребление; 6 — линия газа низкого давления, поступающего на приём компрессоров; 7 — компрессорная станция; 8 — линия сжатого газа высокого давления, поступающего в скважины для подъёма жидкости.

Рис. 1. Схемы непрерывного газлифта (эрлифта): а — кольцевая; б — центральная; 1 — забой скважины; 2 — обсадная колонна; 3 — компрессорная колонна; 4 — разделительное устройство (пакер); 5 — рабочий газлифтный клапан; 6 — пусковые клапаны.

Рис. 2. Схема периодического газлифта: а — период накопления; б — период подачи жидкости; в — газлифт с камерой замещения; 1 — рабочий газлифтный клапан; 2 — приёмный клапан; 3 — камера замещения.
Компрессорная станция
Компре'ссорная ста'нция, стационарная установка для получения на различных промышленных предприятиях и строительных площадках сжатого воздуха или газа, используемых как энергоноситель (воздух для привода пневматического инструмента, газ для отопления) или как сырье для получения различной продукции (кислорода из воздуха, аммиака из азотоводородной смеси и т.п.). В состав К. с. обычно входят: главное здание, в котором размещаются компрессоры и вспомогательное оборудование и устройства — емкости для сжатого газа, газосборники, водо-снабжающие, воздухозаборные и охладительные установки, сети инженерных коммуникаций (водопровода, канализации, пара, горячей воды и т.д.), трансформаторные подстанции, а также бытовые помещения для работающих. К. с., как правило, размещаются в отдельно стоящих зданиях с огнестойкими перекрытиями и трудно сгораемыми перегородками. Иногда К. с. располагаются в пристройке к производственному зданию (при отсутствии в последнем взрыво- и пожароопасных производств, а также если шум и вибрации, создаваемые оборудованием, не являются помехой протекающим в производственном здании технологическим процессам).
Е. Г. Кутухтин.
Компрессорная установка
Компре'ссорная устано'вка, совокупность устройств, необходимых для получения сжатого воздуха или другого газа. К. у. бывают стационарные и передвижные. В стационарных К. у. используют одноступенчатое или многоступенчатое сжатие воздуха. Основные элементы стационарной К. у. с одноступенчатым сжатием воздуха: фильтр, компрессор , двигатель, воздухопровод. Кроме того, в К. у. входят вентили и задвижки, измерительные приборы (манометры, термометры и др.), предохранительные и обратные клапаны, а также приборы автоматики, сигнализации и управления. В К. у. с многоступенчатым сжатием входят промежуточные воздухоохладители. Основные агрегаты К. у. имеют циркуляционную систему смазки, подаваемой шестерённым насосом через фильтр и маслоохладитель. Одна или несколько стационарных К. у. вместе со зданием, в котором они размещены, составляют сооружение, называемое компрессорной станцией .
Передвижные К. у. обычно монтируются на автоприцепе или автомобильном шасси. Они состоят из компрессора (обычно поршневого с воздушным охлаждением), двигателя внутреннего сгорания, а также воздухозаборника с фильтром и небольшого резервуара (ресивера), к которому присоединены несколько прорезиненных шлангов для подачи сжатого воздуха к потребителям (например, пневматическим инструментам).