Большая Советская Энциклопедия (КО), стр. 289
Компаратор геодезический
Компара'тор геодези'ческий, прибор или устройство для измерения длин мерных проволок и лент. Длины мерных проволок и лент определяют путем сравнения их с известной длиной К. г. Оптико-механический К. г. представляет ряд бетонных столбов с установленными на них отвесно и в одной вертикальной плоскости микроскоп-микрометрами. Расстояние между осями микроскоп-микрометров измеряются при помощи жезла известной длины, перемещаемого вдоль К. г. на тележке по установленному под ними рельсовому пути. Сумма этих расстояний составляет длину К. г. С этой длиной при помощи крайних микроскоп-микрометров сравниваются длины мерных приборов. К. г. для измерения длин мер невысокой точности представляет собой стол с отмеченными на нем необходимыми расстояниями, которые измеряются образцовой лентой и с которыми сравниваются длины мерных приборов.
Интерференционный К. г. состоит из двух зеркал, установленных на специальных подставках параллельно друг другу, и двух микроскоп-микрометров, расположенных над ними. Между зеркалами устанавливается кварцевый жезл, длина которого (обычно 1,2 м ) измерена на метрологическом компараторе интерференционном . Расстояние между крайними зеркалами (обычно 24 м ) определяется по известной длине жезла при помощи интерференции света, а расстояние между осями микроскоп-микрометров и крайними зеркалами — из микрометрических измерений. С расстоянием между осями микроскоп-микрометров, так же как и на оптико-механическом К. г., сравниваются длины мерных приборов. Точность определения длин наиболее точных мерных приборов — инварных проволок длиной 24 м — на оптико-механическом К. г. 5·10-7 и на интерференционном К. г. 2,5·10-7 .
Лит.: Красовский Ф. Н., Избр. соч., т. 3, М., 1955; Кондрашков А. В., Интерференция света и её применение в геодезии, М., 1956.
А. В. Кондрашков.
Компаратор (измерит. прибор)
Компара'тор (лат. comparator, от compare — сравниваю), измерительный прибор для сравнения измеряемых линейных величин с мерами или шкалами (см. Дифференциальный метод измерений , Сравнения с мерой метод измерений). На К. измеряют разность двух близких по номиналу сравниваемых величин, что позволяет получать высокую точность измерений. С помощью К. размер измеряемого объекта сравнивают с расстоянием между штрихами образцовой шкалы (штриховой К.) или с концевыми мерами длины (концевой К.). Иногда К. называют приборы другого типа, в которых также используется метод сравнения (например, компаратор интерференционный ).
В качестве измерительных устройств в К. применяют микроскопы с окулярным винтовым, шкаловым или оптическим микрометрами , фотоэлектрические микроскопы с цифровым отсчётом, интерферометры и др.
С помощью К. измеряют длины от долей мм до десятков м. К. применяются в метрологии (для сличения эталонов длин от 0,1 до 4 м ), в машиностроении (для контроля размеров деталей до 1 м ), в геодезии (см. Компаратор геодезический ).
Компаратор интерференционный
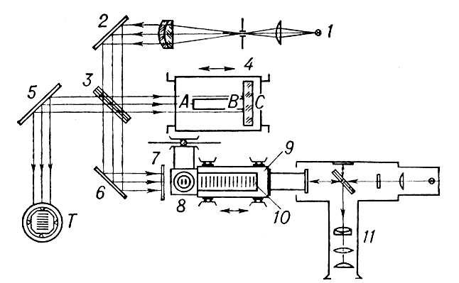
Компара'тор интерференцио'нный , прибор для метрологических измерений длин мер в длинах волн света или для сравнения длин мер на основе интерференции света . Длины концевых мер до 100 мм измеряются на интерферометре Кёстерса. Концевые меры большей длины, а также штриховые меры измеряются на универсальном К. и. Свет от источника 1 в виде параллельного пучка лучей зеркалом 2 направляется на полупрозрачную стеклянную разделяющую пластину 3. Часть света, отражённая пластиной, падает на концевой эталон 4, установленный на подвижной каретке. Передняя поверхность эталона А — свободная, а к задней В притирается плоская стеклянная пластина С. После отражения от плоскостей А и В свет проходит пластину 3 и зеркалом 5 направляется в зрительную трубу Т. Часть света от зеркала 2, прошедшая пластину 3, зеркалом 6 направляется на зеркало 7, жестко связанное с фотоэлектрическим микроскопом 8. Последний может перемещаться вдоль стола 9 с уложенной на нём штриховой мерой 10. Отражённый зеркалом 7 свет возвращается к зеркалу 6 и направляется на пластину. Свет, отражённый последней, зеркалом 5 также направляется в зрительную трубу Т. Положение стола фиксируется интерференционным индикатором 11, представляющим интерферометр Майкельсона, одно из зеркал которого жестко связано со столом.
При сравнении эталонной, концевой и измеряемой штриховой мер положением нулевого штриха штриховой меры фиксируется под микроскопом, а перемещением каретки с концевой мерой добиваются равенства длин путей обоих пучков лучей, образовавшихся при отражении света от поверхности А меры и зеркала 7. Затем перемещением зеркала 7 и микроскопа 8 добиваются равенства длин путей обоих пучков лучей, образовавшихся при отражении света от зеркала 7 и поверхности В меры. Необходимое для этого перемещение зеркала 7 и микроскопа 8 , очевидно равно длине концевой меры. Новое положение зеркала относительно штриховой меры фиксируется микроскопом и интерференционным индикатором. Для сравнения длин концевых мер в параллельный пучок лучей, идущий от источника света, помещают трубчатый эталон (эталон Фабри — Перо), а зеркало 7 устанавливают так, чтобы его плоскость делила сравнимую меру на части, кратные длине эталона. Точность измерения длин мер на универсальном К. и. ~1·10-7
Лит.: Захарьевский А. Н., Интерферометры, М., 1952; Бржезинский М. Л., Интерференционные компараторы для измерения длины штриховых мер, в кн.: Труды институтов Госкомитета, в. 78 (138), М. — Л., 1965; Волкова Е. А. [и др.]. Универсальный интерферометр системы ВНИИМ для измерения концевых мер и геодезических кварцевых жезлов длиной до 1200 мм, в кн.: Труды Всесоюзного научно-исследовательского института метрологии, в. 26 (86), М. — Л., 1955.
А. В. Кондрашков.

Схема интерференционного компаратора.
Компарирование
Компари'рование (от франц. comparer — сравнивать, сличать), сравнение мер или измеряемой величины с величиной, воспроизводимой мерой, в процессе измерения (см. Сравнения с мерой метод измерения). К. производят при помощи приборов сравнения (компарирующих приборов): равноплечных весов , электроизмерительного потенциометра , фотометрической скамьи с фотометром , компараторов для линейных мер и т.п.