Межотраслевые правила по охране труда (правила безопасности) при эксплуатации электроустановок, стр. 38
ПРИЛОЖЕНИЕ № 8
К Межотраслевым правилам по охране труда (правилам безопасности) при эксплуатации электроустановок, утвержденным постановлением Минтруда РФ от 5 января 2001 г. № 3 и приказом Минэнерго РФ от 27 декабря 2000 г. №163
Формат А4
Заглавный лист

Последующие листы:

Примечания: 1. Страницы журнала должны быть пронумерованы и защищены от изъятия и вложений.
2. Проверка знаний норм и правил работы в электроустановках персонала организаций электроэнергетики оформляется в журнале на основании протокола проверки знаний (приложение № 9 к настоящим Правилам).
ПРИЛОЖЕНИЕ № 9
к Межотраслевым правилам по охране труда (правилам безопасности) при эксплуатации электроустановок, утвержденным постановлением Минтруда РФ от 5 января 2001 г. № 3 и приказом Минэнерго РФ от 27 декабря 2000 г. №163
Дата проверки __________
Причина проверки __________
Комиссия __________ (наименование комиссии)
в составе:
председатель комиссии __________ (должность, фамилия и инициалы)
члены комиссии __________ (должность (профессия), фамилия и инициалы):
провела проверку знаний ПУЭ, ПТБ, ПТЭ, ППБ и других нормативно-технических документов (ненужное зачеркнуть)
Проверяемый
Фамилия, имя, отчество __________
Место работы __________
Должность (профессия) __________
Дата предыдущей проверки __________
Оценка, группа по электробезопасности __________
Результаты проверки знаний:
По устройству электроустановок и технической эксплуатации __________
По охране труда __________
По пожарной безопасности __________
Других правил и инструкций органов государственного надзора __________ (наименование правил)
Заключение комиссии
Общая оценка __________
Группа по электробезопасности __________
Продолжительность дублирования [13] __________
Допущен к работе в качестве __________
Дата следующей проверки __________
Подписи:
Председатель комиссии __________ (подпись, фамилия и инициалы)
Члены комиссии __________ (подпись, фамилия и инициалы)
Представитель(ли) органов государственного надзора и контроля [14] __________ (подпись, фамилия и инициалы)
С заключением комиссии ознакомлен __________ (подпись, фамилия и инициалы)
ПРИЛОЖЕНИЕ № 10
К Межотраслевым правилам по охране труда (правилам безопасности) при эксплуатации электроустановок, утвержденным постановлением Минтруда РФ от 5 января 2001 г. № 3 и приказом Минэнерго РФ от 27 декабря 2000 г. №163




Рис. 1. Пример установки заземления при работе на электродвигателе

Рис. 2. Пример установки заземлений при работе на силовом двухобмоточном трансформаторе

Рис.3. Пример установки заземлений при работе на секционном реакторе и его выключателе

Рис. 4. Подстанция по схеме мостика. Пример установки заземлений при работе на линейном разъединителе трансформатора № 2 и на выключателе перемычки

Рис. 5. Блок генератор-трансформатор. Пример установки заземлений при работе на генераторе и трансформаторе собственных нужд

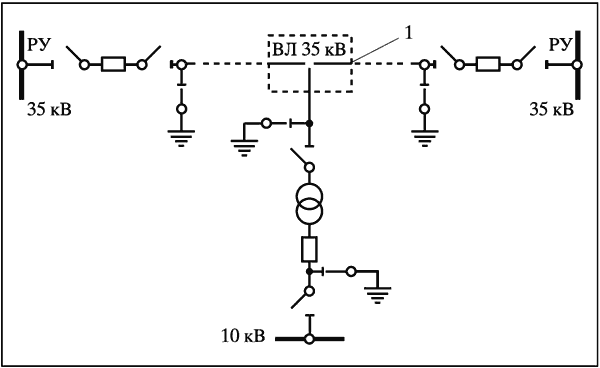
Рис. 6.1. Пример установки заземлений на ВЛ 35 кВ с подстанцией на ответвлении в соответствии с п. 3.6.1 настоящих Правил

Рис. 6.2. Пример установки заземлений на ВЛ 35 кВ с подстанцией на ответвлении в соответствии с п. 3.6.1 настоящих Правил

Рис. 7. Пример установки заземлений на ВЛ 10 кВ. В соответствии с п. 3.6.1 настоящих Правил переносное заземление установлено на опоре, оборудованной заземляющим устройством

Рис. 8. Пример установки заземлений при соединении петель на анкерной опоре ВЛ под наведенным напряжением в соответствии с п. 4.15.44 настоящих Правил
Выписка из приказа
Министерства здравоохранения и медицинской промышленности Российской Федерации от 14 марта 1996 г.
«О порядке проведения предварительных и периодических медицинских осмотров работников для допуска к профессии»
ПРИЛОЖЕНИЕ 1
к приказу Минздравмедпрома РФ от 14 марта 1996 г. № 90



Разъяснения: 1. Работникам, подвергающимся предварительным и периодическим медицинским осмотрам, в обязательном порядке проводится исследование крови: НВ, лейкоциты, СОЭ. При предварительном медицинском осмотре обязательно приводится рентгенограмма органов грудной клетки в прямой проекции, при периодическом медосмотре 1 раз в 3 года. При проведении предварительных и периодических медицинских осмотров женщины осматриваются акушером-гинекологом с проведением бактериологического (на флору) и цитологического (на атипичные клетки) исследований. Сроки осмотров совпадают со сроками периодических медицинских осмотров, но не реже 1 раза в год.
2. Вещества, отмеченные в перечне значком «А», относятся к аллергенам, значком «К» – к канцерогенам, значком «Ф» – обладают фиброгенным эффектом и по показаниям работники осматриваются соответственно аллергологом, онкологом, профпатологом.